EasyManua.ls Logo

Veichi AC310 - Wave-By-Wave Current Limit Comparison Circuit

Veichi AC310
63 pages
Print Icon
To Next Page IconTo Next Page
To Next Page IconTo Next Page
To Previous Page IconTo Previous Page
To Previous Page IconTo Previous Page
Loading...
56
AC310 Universal AC Drive Service Manual
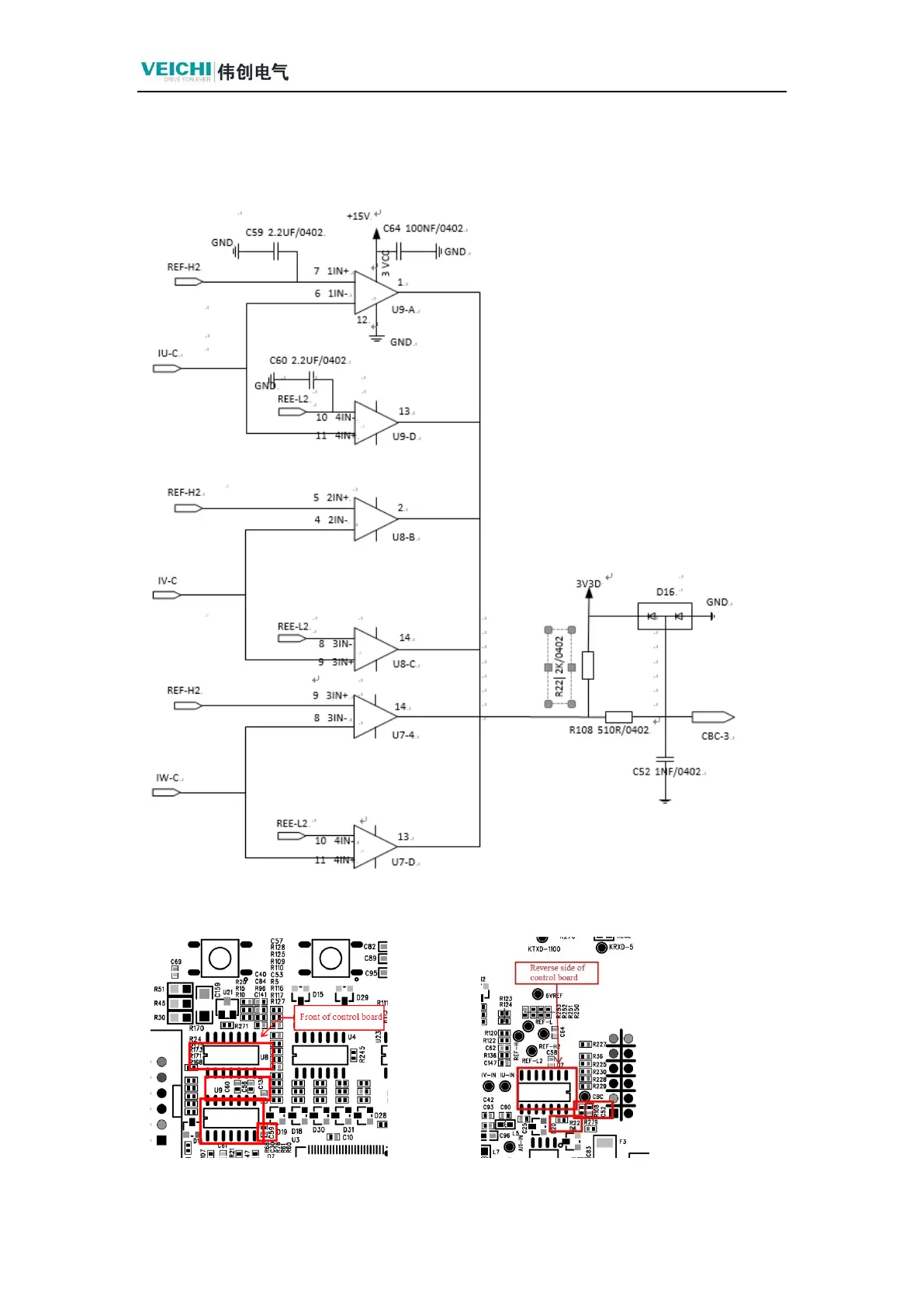
3.12 Wave-by-Wave Current Limit Comparison Circuit
1. Circuit description: In the AC drive wave-by-wave current limiting (CBC) is very

Table of Contents

Related product manuals