EasyManua.ls Logo

Veichi AC310 - Access to Voltage Points on the Control Board

Veichi AC310
63 pages
Print Icon
To Next Page IconTo Next Page
To Next Page IconTo Next Page
To Previous Page IconTo Previous Page
To Previous Page IconTo Previous Page
Loading...
28
AC310 Universal AC Drive Service Manual
U5
Octal Driver
Y, Relay, Fan, Contactor, Brake
Outputs
SN74ACT244PWR
U2
Logic Chips
Keypad Logic Chip
74HC595D
U13
CPU
Keypad CPU
XMC1100-
T016F0032
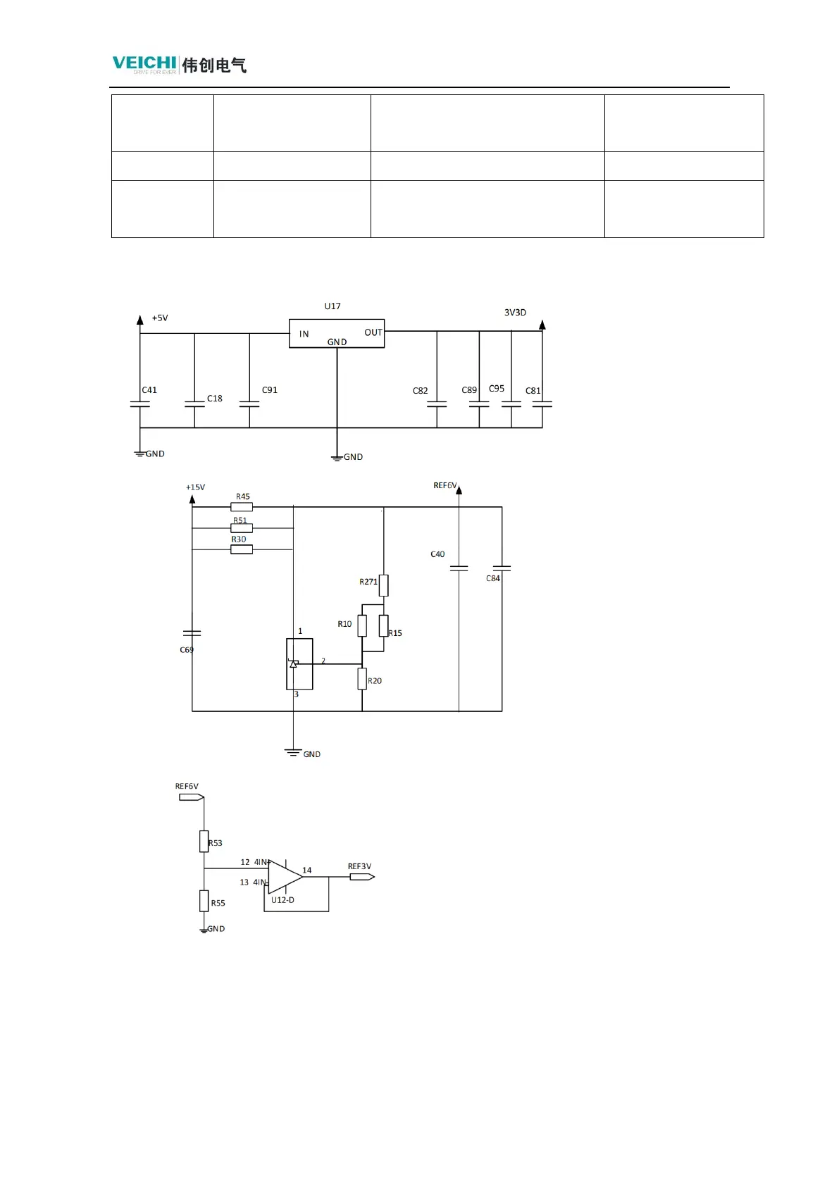
3.2 Access to Voltage Points on the Control Board
C41/C18/82/89/C95=2.2UF
/0402
U17=AMS1117-3.3
Resistor:
R45/R51/R30=1K/0805
R20=10K/0402, R271=14.04K
Controlled precision voltage
regulator:
U21=TL431AIDBZR
Capacitors:
C69/C84=100NF/0402
C40=2.2UF/0402
U12=TL084IDR Resistor: R55/R53=1K/0402

Table of Contents

Related product manuals