EasyManua.ls Logo

Viessmann B0KA - Connection and Wiring Dia-HBMU Heat Management Unit

Viessmann B0KA
100 pages
Print Icon
To Next Page IconTo Next Page
To Next Page IconTo Next Page
To Previous Page IconTo Previous Page
To Previous Page IconTo Previous Page
Loading...
85
A
B
C
D
E
F
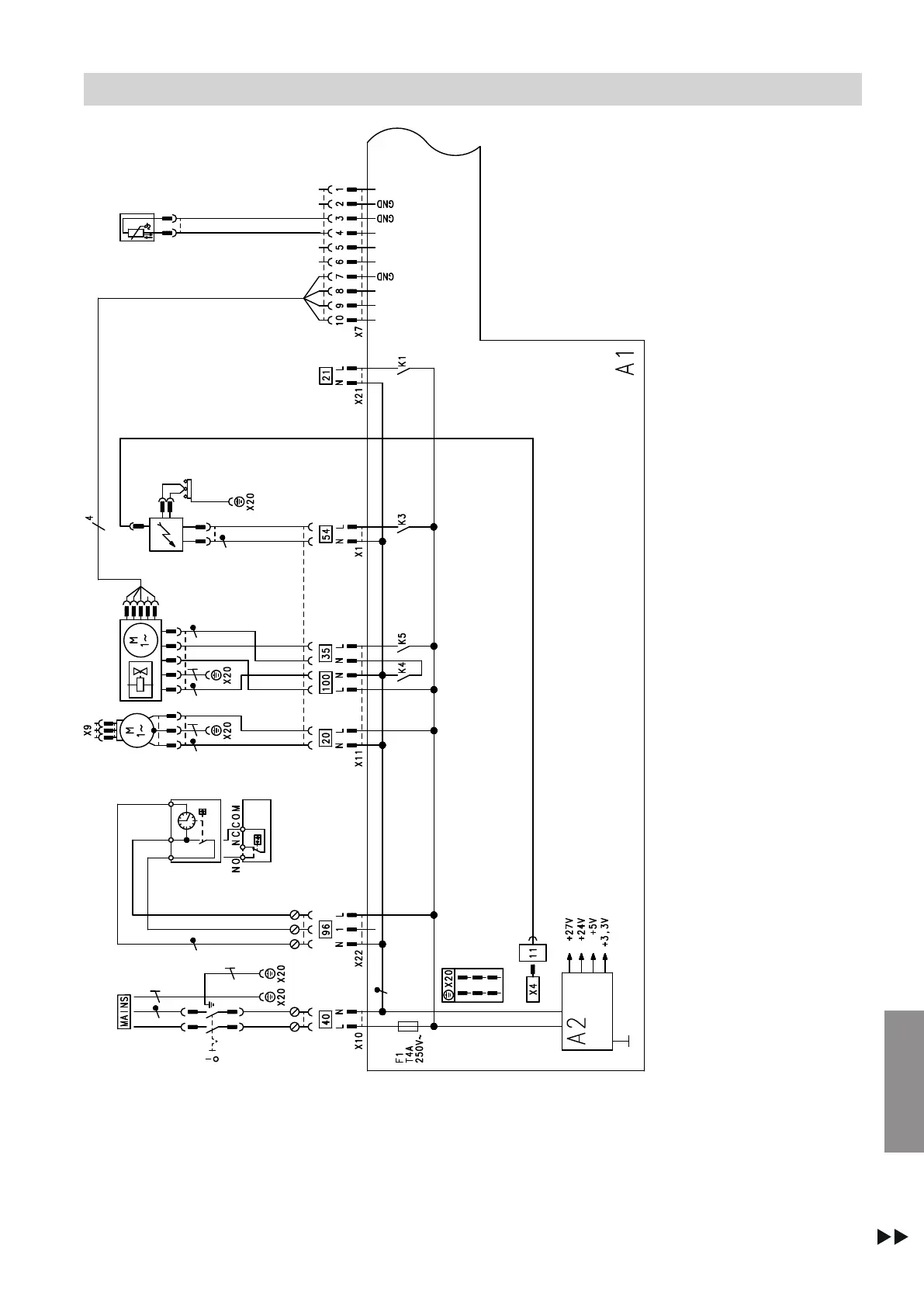
Fig. 48
A1 HBMU heat management unit
A2 Power supply unit
X... Electrical interfaces
A
Power supply 230 V/50 Hz
B
Vitotrol 100, type UTA
C
Vitotrol 100, type UTDB
D
Ignition unit/ionisation
E
Fan motor control
F
Outlet temperature sensor (combi boiler only)
lH
230 V connection accessories for accessories
a-Ö
230 V fan motor
dG
Gas solenoid valve
gF
Ignition unit
Connection and wiring diagram
HBMU heat management unit
6179762
Appendix

Table of Contents

Other manuals for Viessmann B0KA

Related product manuals