EasyManua.ls Logo

Viessmann B1HE-199 - Page 108

Viessmann B1HE-199
128 pages
Print Icon
To Next Page IconTo Next Page
To Next Page IconTo Next Page
To Previous Page IconTo Previous Page
To Previous Page IconTo Previous Page
Loading...
108
6167 818 - 10
Vitodens 100-W, B1HE/B1KE Combi Installation/Service
Parts
Boiler Model No. Serial No.
B1HE-85 7722772

B1HE-120 7722773
B1KE-120 7722776
Ordering Parts:
Please provide Serial Number when ordering
replacement parts. Order replacement
components from your Viessmann distributor.
Parts List
(continued)
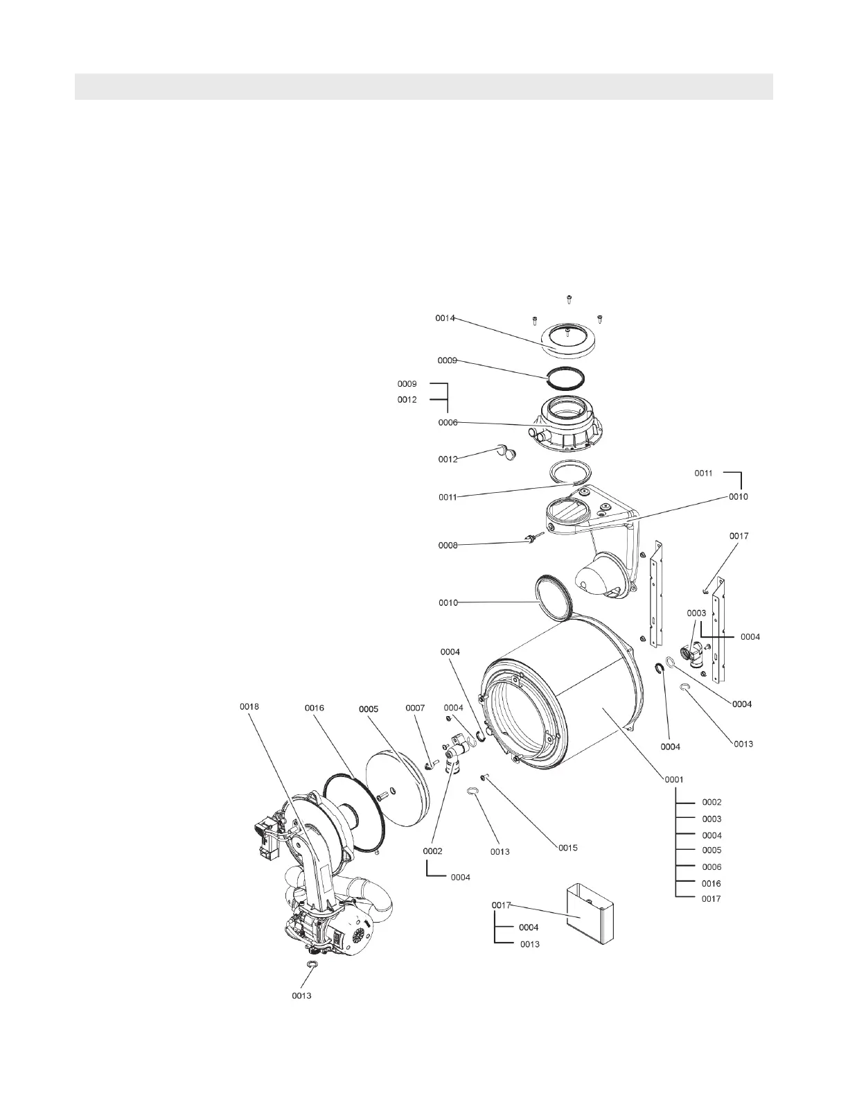
Heat Cell
0001 Heat exchanger
0002 Connection elbow HV
0003 Connection elbow HR
0004 Gasket set connection elbow
0005 Insulation block
0006 Boiler flue connection 80/125
0007 Flow sensor (Duplex)
0008 Flue gas sensor
0009 Flue gas gasket DN80
0010 Flue duct and gaskets
0011 Grommet DN80
0012 Cap plug boiler flue connection
0013 O-ring connected piping
0014 Ventilation cover
0015 Burner door screws
0016 Burner door gaskets
0017 ETT heat exchanger pack
0018 Burner

Table of Contents

Related product manuals