EasyManua.ls Logo

Viessmann B1HE-199 - System Layout 2

Viessmann B1HE-199
128 pages
Print Icon
To Next Page IconTo Next Page
To Next Page IconTo Next Page
To Previous Page IconTo Previous Page
To Previous Page IconTo Previous Page
Loading...
34
6167 818 - 10
Vitodens 100-W, B1HE/B1KE Combi Installation/Service
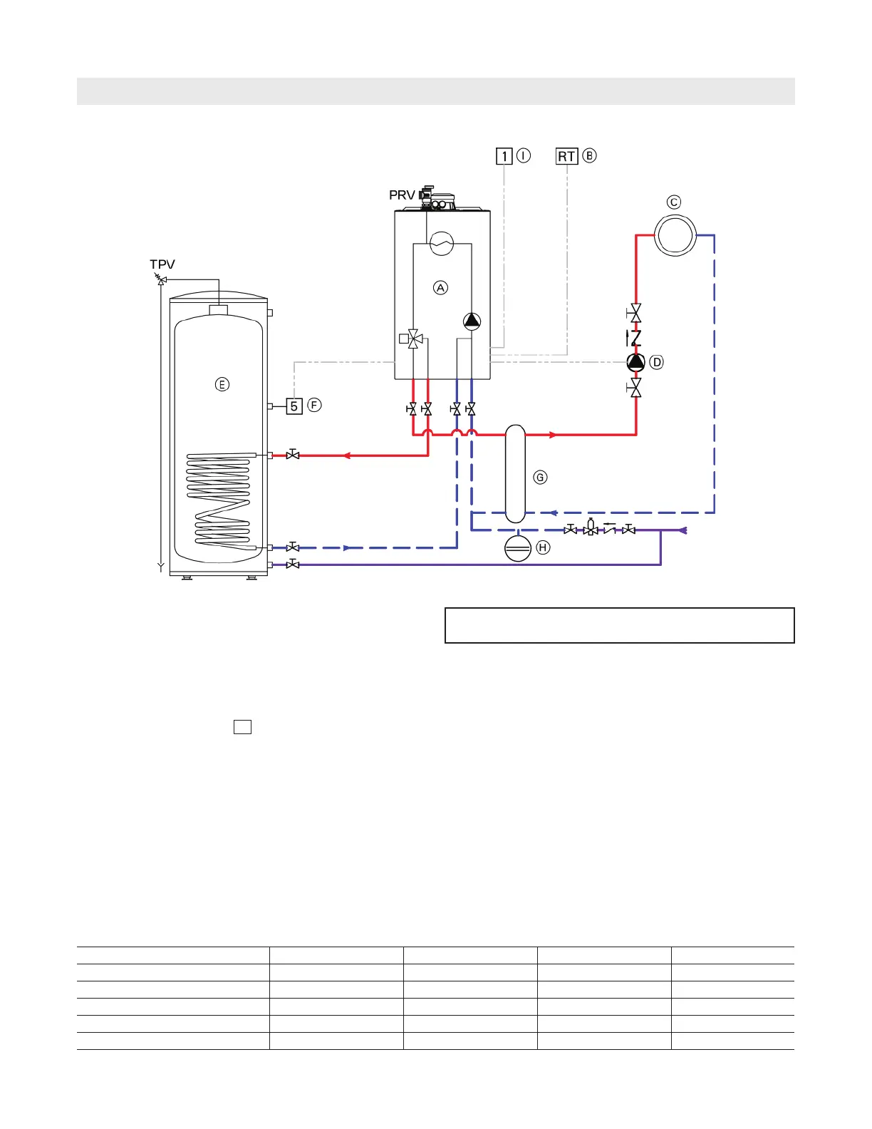
System Layout 2
Installation
Maximum Flow Rates
Vitodens 100-W, B1HE 85, 120, 150, 199 with...
- DHW storage tank
- low-loss header
- one heating circuit
IMPORTANT
DHW supply and return piping between boiler DHW
connections and the Viessmann DHW tank connections,
shall be a minimum of 1a in. nominal pipe diameter.
This ensures that the head of the pump is fully utilized
to overcome the resistance of the DHW heat exchanger
coil and to provide sufficient water flow to the boiler
heat exchanger.
In non-Viessmann DHW tank applications, perform, in
addition to the above, accurate calculations for DHW
tank coil pressure drop versus boiler pump head to ensure
sufficient water flow to the boiler heat exchanger.
Failure to heed the above instructions may cause boiler
short-cycling and inadequate DHW supply.
* Requires low loss header or closely spaced tees.
Legend
PRV Pressure relief valve
TPV Temperature and pressure relief valve
A Vitodens 100-W gas-fired condensing boiler
B External boiler controller with room thermostat
connection (field supplied)
C Heating circuit
D Heating circuit pump
P2
E DHW storage tank
F DHW tank temperature sensor (or DHW temperature
switch)
G Low-loss header
)
H Expansion tank
I Outdoor temperature sensor
Model B1HE 85 120 150 199
Output MBH 80 113 141 187
t
30ºF (17ºC) rise GPM (L/h) 5.3 (1204)* 7.5 (1703)* 9.4 (2135)* 12.5 (2839)*
35ºF (19.5ºC) rise GPM (L/h) 4.6 (1045) 6.5 (1476)* 8.1 (1840) 10.7 (2430)*
40ºF (22ºC) rise GPM (L/h) 4.0 (908) 5.7 (1295) 7.1 (1613) 9.4 (2135)
Note: Refer to the residual head curves on page 32.
The use of a low-loss header is recommended if
the water flow rate is above or below the operating
range.
The low-loss header is available as accessory part.

Table of Contents

Related product manuals