EasyManua.ls Logo

Viessmann B1HE-199 - System Layout 6

Viessmann B1HE-199
128 pages
Print Icon
To Next Page IconTo Next Page
To Next Page IconTo Next Page
To Previous Page IconTo Previous Page
To Previous Page IconTo Previous Page
Loading...
38
6167 818 - 10
Vitodens 100-W, B1HE/B1KE Combi Installation/Service
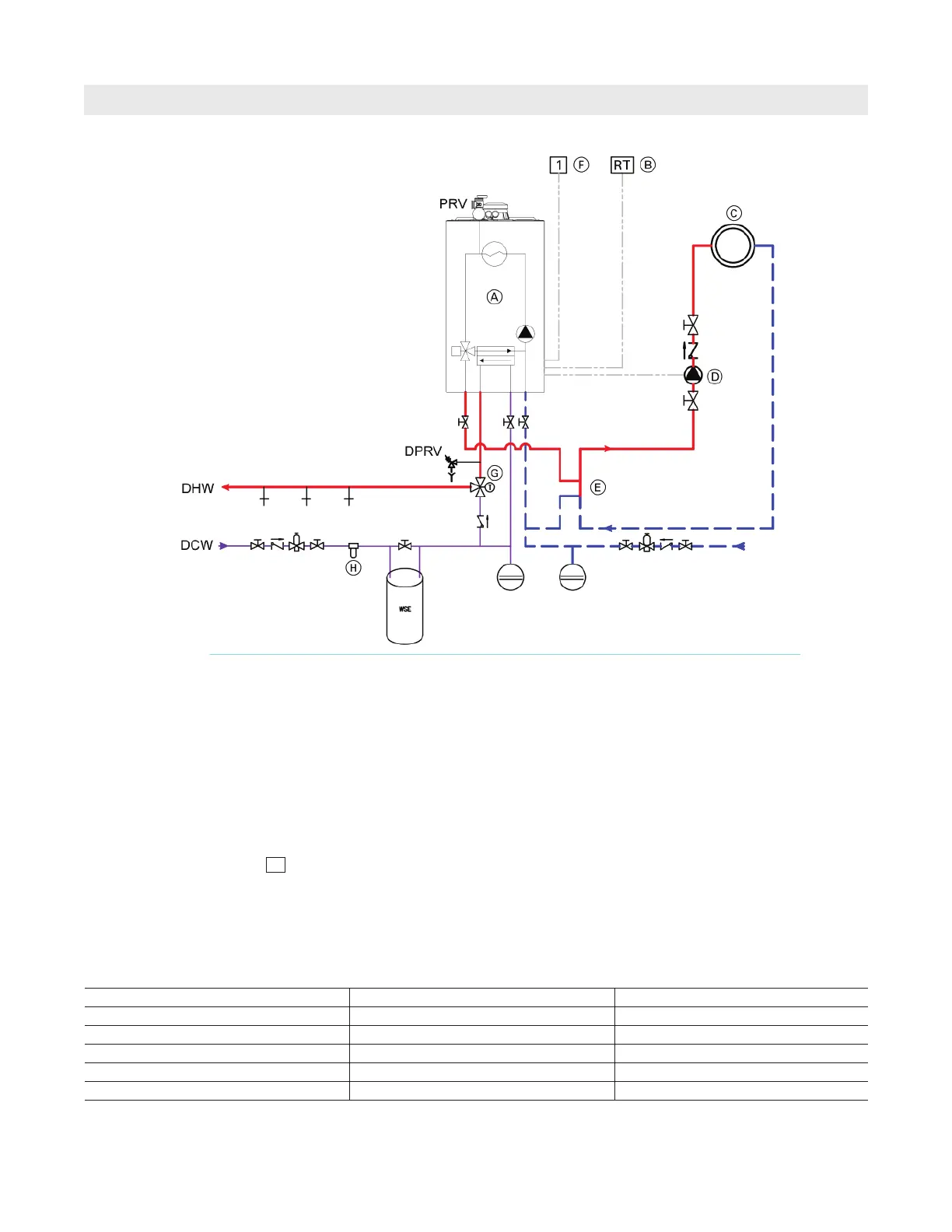
System Layout 6
Installation
Maximum Flow Rates
Vitodens 100-W, B1KE 120, 199 with
- closely spaced tees
- one heating circuit
* Requires low loss header or closely spaced tees.
*1 A low-loss header offers additional benefits not
provided by a pair of closely spaced tees.
Viessmann strongly recommends and prefers the
use of a low-loss header over closely spaced tees.
Model B1KE 120 199
Output MBH 113 187
t
30ºF (17ºC) rise GPM (L/h) 7.5 (1703)* 12.5 (2839)*
35ºF (19.5ºC) rise GPM (L/h) 6.5 (1476)* 10.7 (2430)*
40ºF (22ºC) rise GPM (L/h) 5.7 (1295) 9.4 (2135)
Note: Refer to the residual head curves on page 32.
The use of a low-loss header is recommended if
the water flow rate is above or below the operating
range.
The low-loss header is available as accessory part.
Legend
PRV Pressure relief valve (boiler)
DPRV Pressure relief valve (DHW 150 psi)
WSE Water softener equipment
DHW Domestic hot water
DCW Domestic cold water
A Vitodens 100-W gas-fired condensing boiler
B External system controller with room thermostat
connection (field supplied)
C Heating circuit
D Heating circuit pump
P2
E Closely spaced tees, 4x pipe Ø or 12 in. (305 mm)*1
F Outdoor temperature sensor (OTS)
G DHW tempering valve (field supplied)
H Domestic water sediment filter (field supplied)

Table of Contents

Related product manuals