EasyManua.ls Logo

Viessmann B1HE-199 - Page 114

Viessmann B1HE-199
128 pages
Print Icon
To Next Page IconTo Next Page
To Next Page IconTo Next Page
To Previous Page IconTo Previous Page
To Previous Page IconTo Previous Page
Loading...
114
6167 818 - 10
Vitodens 100-W, B1HE/B1KE Combi Installation/Service
Parts
Parts List
(continued)
Boiler Model No. Serial No.
B1HE-150 7722774

B1HE-199 7722775
Ordering Parts:
Please provide Serial Number when ordering
replacement parts. Order replacement
components from your Viessmann distributor.
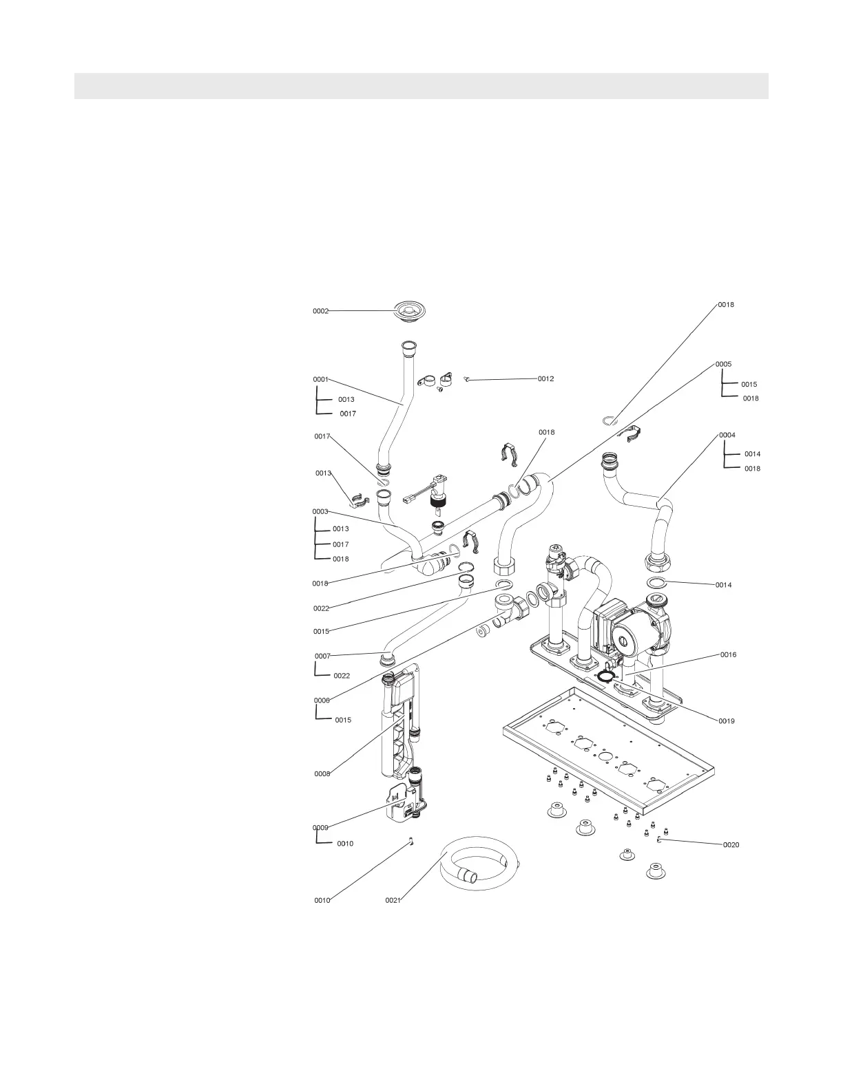
Hydraulic System
0001 Connection pipe
0002 Diaphragm grommet
0003 Connection pipe
0004 Connection pipe HR circulation
0005 Connection pipe HV circulation
bottom
0006 Angle piece G1 1/4 - G1 1/4
0007 Condensate hose
0008 Meander Siphon
0009 Siphon holder
0010 Screw (5 pcs)
0012 Self-tapping screw (5 pcs)
0013 Spring clip d= 25
0014 Gaskets and O-rings
0015 Gasket set 1 1/4” (5 pcs)
0016 Pump Module
0017 Seal set O-Ring (5 pcs)
0018 O-Ring
0019 Air box hydraulics gasket (4 pcs)
0020 Screw pack
0021 Condensate hose
0022 Cable tie (5 pcs)

Table of Contents

Related product manuals