EasyManua.ls Logo

Viessmann B1HE-199 - Page 88

Viessmann B1HE-199
128 pages
Print Icon
To Next Page IconTo Next Page
To Next Page IconTo Next Page
To Previous Page IconTo Previous Page
To Previous Page IconTo Previous Page
Loading...
88
6167 818 - 10
Vitodens 100-W, B1HE/B1KE Combi Installation/Service
Fault Messages
(continued)
Troubleshooting
Fault Messages
(continued)
Repairs
(continued)
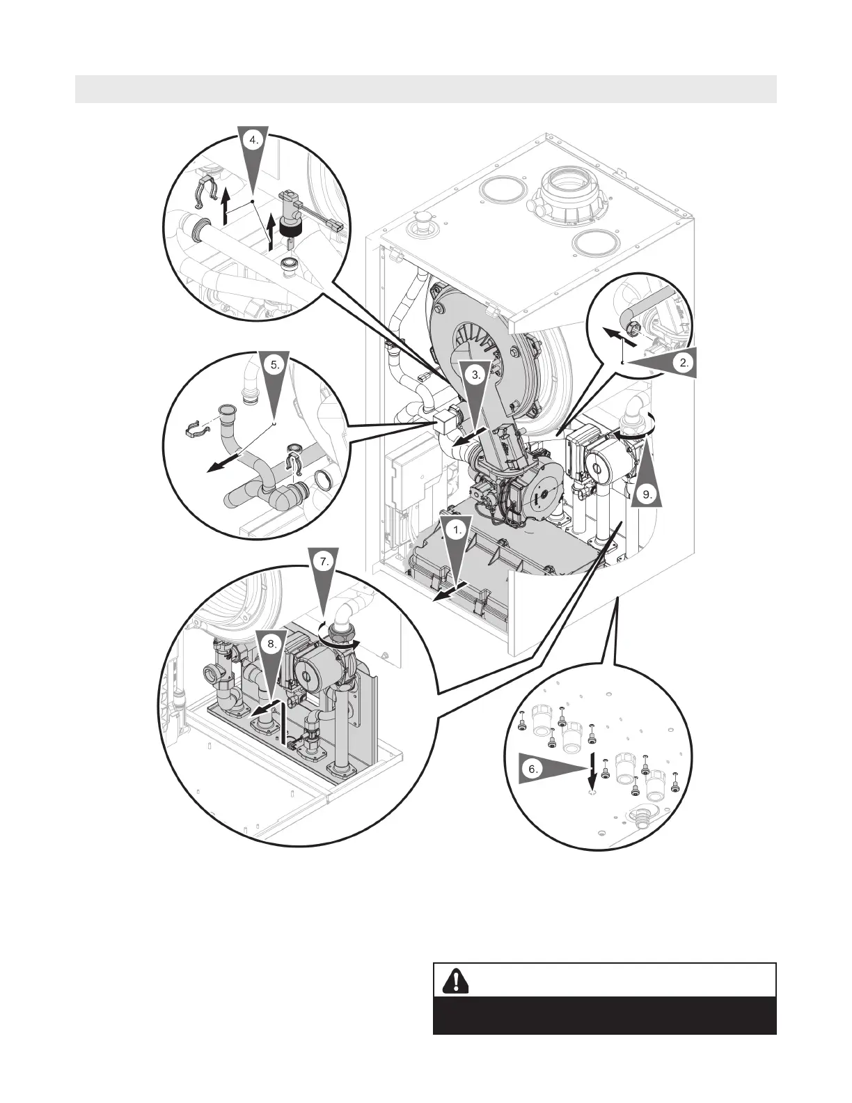
B1HE/KE 150/199
1. Remove the control unit.
2. Loosen the union nut on the gas pipe.
Note: Hold the union nut in place (with an open ended
wrench) to prevent damage to the gas pipe, use
the two handed method.
3. Remove the burner.
4. Pull off the clip and remove the flow switch.
5. Pull off the clips and remove the supply pipe toward
the front. When refitting the pipes new cable ties
must be used to secure the clips.
6. Remove the screws on the hydraulic plate at the
bottom of the boiler.
7. Undo the union nut of the boiler pump.
8. Remove the hydraulic unit.
9. The hydraulic unit is installed in reverse order.
WARNING
Risk of electric shock from escaping heating water or
DHW. Check the dual sensor for leaks.
60 lb.ft
(80 Nm)

Table of Contents

Related product manuals