EasyManua.ls Logo

Viessmann Vitotwin 300-W - Page 50

Viessmann Vitotwin 300-W
192 pages
Print Icon
To Next Page IconTo Next Page
To Next Page IconTo Next Page
To Previous Page IconTo Previous Page
To Previous Page IconTo Previous Page
Loading...
50
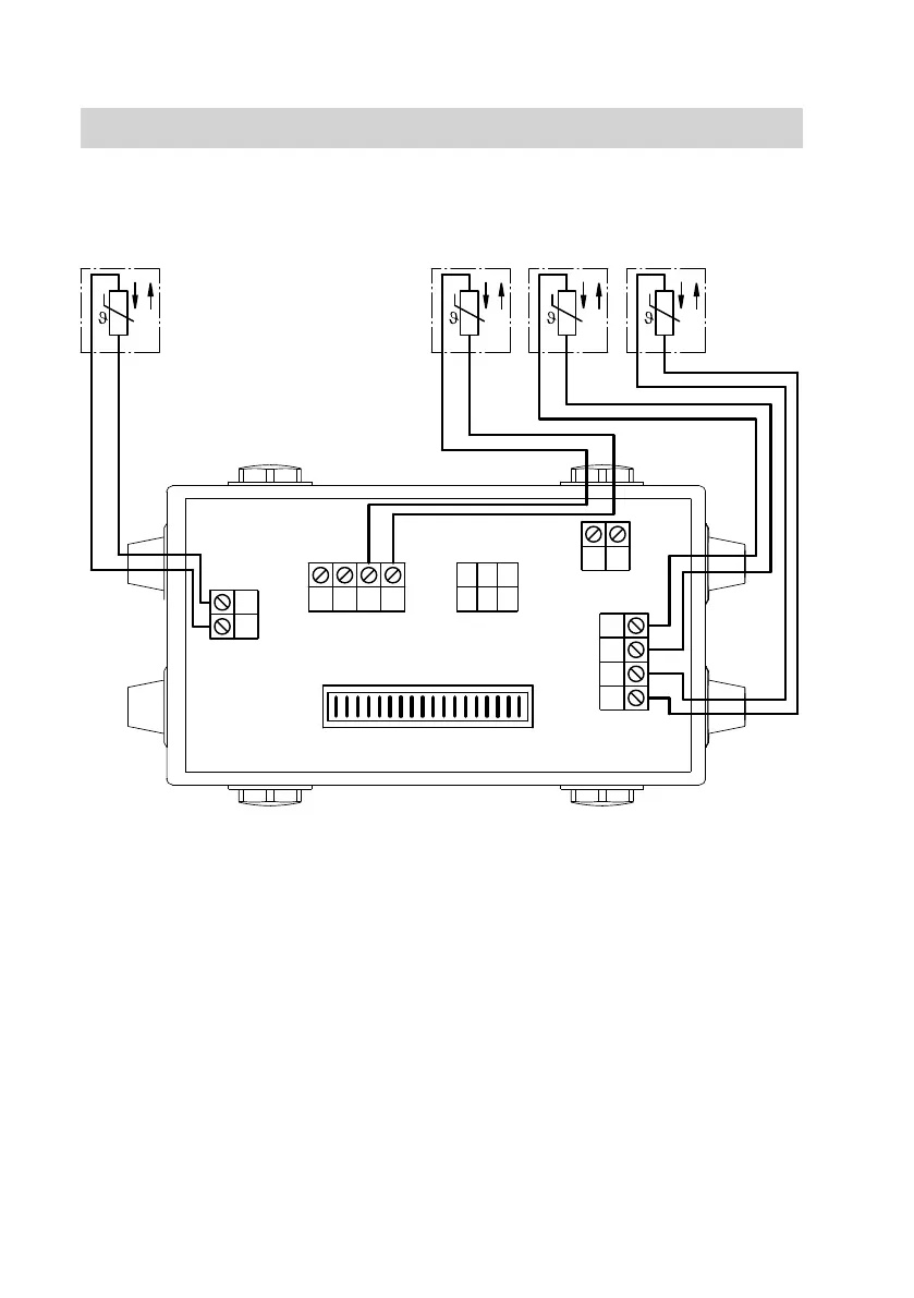
Cylinder temperature sensors and buffer temperature sensors
A C D
Regelung
Funk
2
1 2
1 2 3 4
1 2 3 4
b
E
B3
BSB
B41B4
ATS B42/
B10
B
A
Cylinder temperature sensor B 3
B
Buffer temperature sensor B 42
C
Buffer temperature sensor B 41
D
Buffer temperature sensor B 4
E
Junction box
See the applicable system scheme from
page 8 onwards for use and layout of the
sensors.
Installation sequence
Terminal connections
(cont.)
5618 294 GB

Table of Contents

Other manuals for Viessmann Vitotwin 300-W

Related product manuals