EasyManua.ls Logo

Viking RDSOE306SS - Upper Oven Wiring Schematic

Viking RDSOE306SS
60 pages
Print Icon
To Next Page IconTo Next Page
To Next Page IconTo Next Page
To Previous Page IconTo Previous Page
To Previous Page IconTo Previous Page
Loading...
© 2012 Viking Preferred Service
59
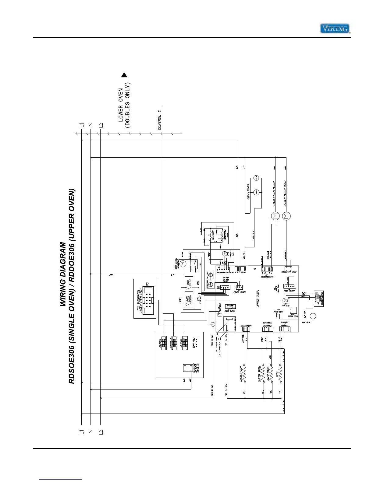
Wiring and Schematics
Wiring Schematic RDSOE306 &
RDDOE306 Upper Oven

Table of Contents

Other manuals for Viking RDSOE306SS

Related product manuals