EasyManua.ls Logo

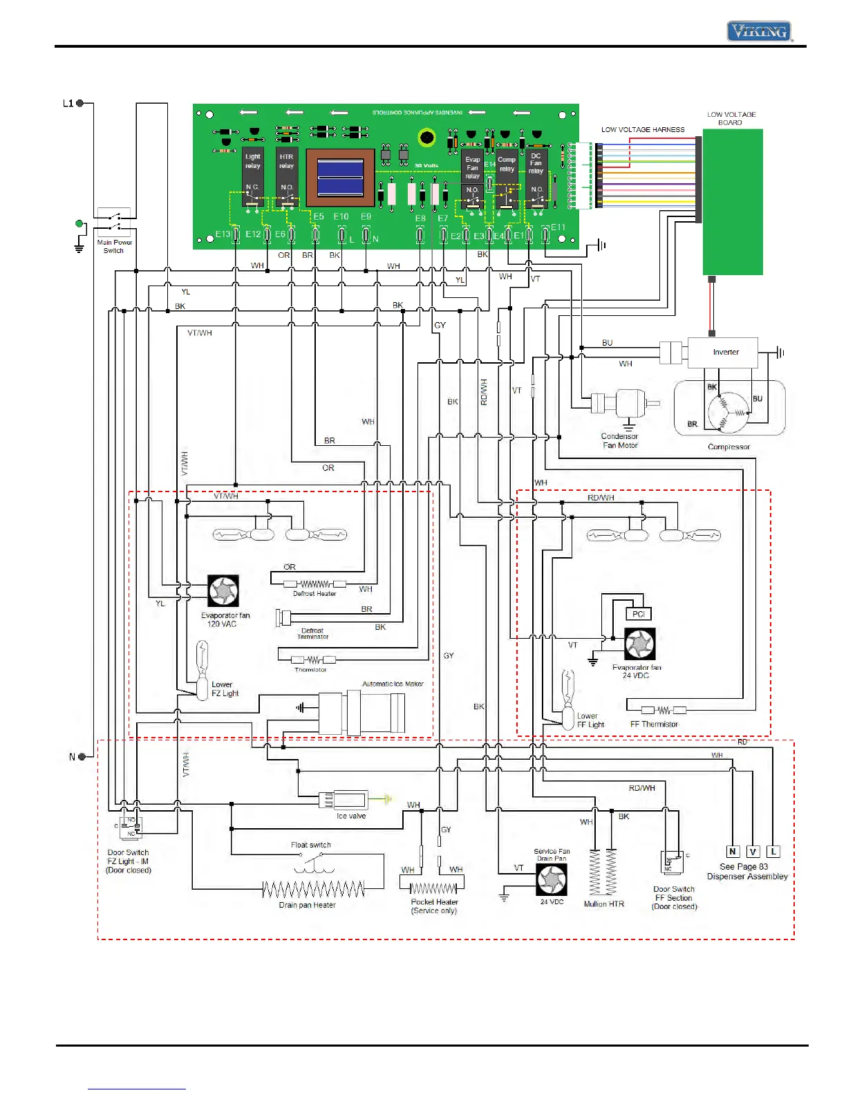
Viking VCSB542 - Schematic Dispenser Model (after 5;19;2010)

Viking VCSB542
87 pages
Print Icon
To Next Page IconTo Next Page
To Next Page IconTo Next Page
To Previous Page IconTo Previous Page
To Previous Page IconTo Previous Page
Loading...
Wiring and Schematics
© 2010 Viking Preferred Service 82
Freezer
Fresh Food
Bottom Cabinet
Schematic–Dispenser Model (after 5/19/2010)

Table of Contents

Related product manuals