EasyManua.ls Logo

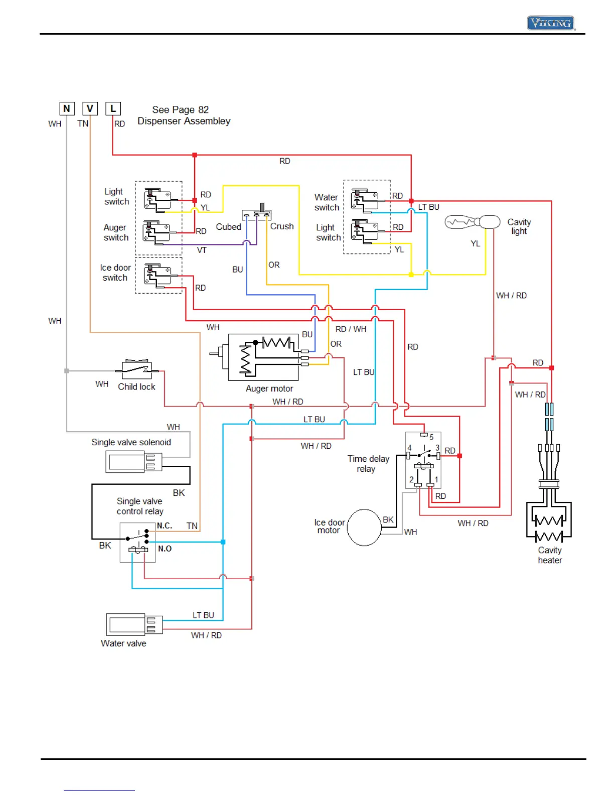
Viking VCSB542 - Schematic Dispenser (after 5;19;2010)

Viking VCSB542
87 pages
Print Icon
To Next Page IconTo Next Page
To Next Page IconTo Next Page
To Previous Page IconTo Previous Page
To Previous Page IconTo Previous Page
Loading...
Wiring and Schematics
© 2010 Viking Preferred Service 83
Schematic–Ice and Water Dispenser (after 5/19/2010)

Table of Contents

Related product manuals