EasyManua.ls Logo

Wang 5536 - Page 19

Default Icon
112 pages
Print Icon
To Next Page IconTo Next Page
To Next Page IconTo Next Page
To Previous Page IconTo Previous Page
To Previous Page IconTo Previous Page
Loading...
3402
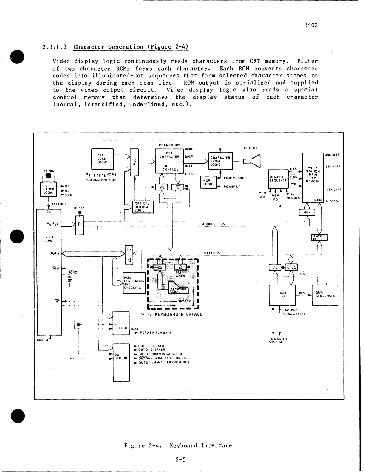
2.3.1.3
Character
Generation
(Figure
2-4)
Video
dis
play
logic
continuously
reads
characters
from
CRT
memory.
Either
of
two
character
ROMs
forms
each
character.
Each
ROM
converts
character
codes
into
illuminated-dot
sequences
that
form
selected
charactt:1-
shapes
on
the
display
during
each
scan
line.
ROM
output
is
serialized
and
supplied
to
the
video
output
circuit.
Video
display
logic
also
reads
a
special
control
memory
that
determines
the
display
status
of
each
character
(normal,
intensified,
underlined,
etc.).
16MHz
-OB
·•DC
~-~-•MCK
CK
ZBOA
CPU
WAIT
1NT
BtfSRO
I
CRT
SCAN
LOGIC
He
H5
Ve
Vs
ROWS
COLUMN
DOI
TIMf
~----·-·-------··----
CRT
'CPU
INTERFACE
LOGIC
I
--
1
·-
CRT MEMORY
~----FFFF
CRT
CHARACTER
EOOO
OFFF
"""'"'
PA
RI
TV
GENERATION
ANO
CHECKING
<I
>1
I
I
....__
_ __,,
.....
I
!i·
.
-,
...
~··-
ii~ff~i.
I
tt::.~:;:y~ir:;:··=·:-~it
1
.;,J
1Noo
I KEYBOARD INTERFACE
IN07
_.
READ
SWllCH
BANK
6UT
Oo
CLICKER
.
.-our
01 SPEAKER
•OUT
O:l
HORIZONTAL SCROLL
OUT0b
( HAHAC
fER
PHOM
NO
I
._OUT
01
CHAHAC
TfR
PHOM
NO }
ADDRESS
BUS-·
DATA BUS
Figure
2-4.
Keyboard
Interface
2-5
DATA
DLS
LINK
' '
TNC
BNr
COAX
c
A.Bl
rs
TOMAS
HR
SYSTfM
OMA
SfDUlNCfS

Related product manuals