EasyManua.ls Logo

Wang 5536 - Page 22

Default Icon
112 pages
Print Icon
To Next Page IconTo Next Page
To Next Page IconTo Next Page
To Previous Page IconTo Previous Page
To Previous Page IconTo Previous Page
Loading...
3402
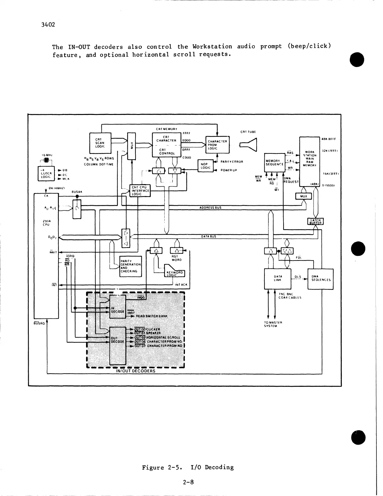
The
IN-OUT
decoders
also
control
the
Workstation
audio
prompt
(beep/click)
feature,
and
optional
horizontal
scroll
requests.
OA
14MH/I
l90A
C:PU
BUSAK
CRT
SCAN
LOGIC
He
H5
Ve
Vs
ROWS
COLUMN
001
TIME
CRTMCMURV
..-----.,FFFF
CRT
CHARACTER
EOOO
CAT
TUBE
PA.Ally
rnRoA
POWfRUP
ADDRESS BUS
____
iiis
MEMORY
t~-?_
SEQUENCE
...
OMA
REQUEST
I
~-----..._.._
__
~1l>1.,,..+-----""""'------..,.,....-..----------~
0
0
0
1
I
DAU
eus
euslia
<J
PARITY
GENERATION
ANO
CHECKING
Figure
2-5.
1/0
Decoding
2-8
DATA
LINK
FOl
OLS
f,..C BtiC
COAX
CABl
l S
TO
MASTER
SYSTEM
WORK
'iTATION
MAIN
RAM
MEMORY
48K
HFFF
HKl1Hfl
1bKIJFFFI
OMA
SfO~fNLES

Related product manuals