EasyManua.ls Logo

Water Process Solutions Encore 700 - Direct Drive Parts Illustration

Water Process Solutions Encore 700
128 pages
Print Icon
To Next Page IconTo Next Page
To Next Page IconTo Next Page
To Previous Page IconTo Previous Page
To Previous Page IconTo Previous Page
Loading...
CF.440.400.0AB.IM.1114 58
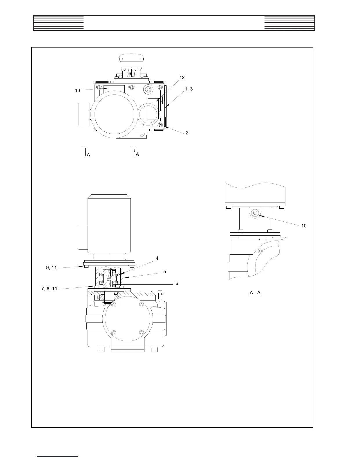
DIRECT DRIVE - PARTS
440.400.001.015A
ISSUE 0 02-06
NOTE: FOR PARTS LIST, SEE DWG. 44.400.001.015B.
ENCORE
®
700 METERING PUMP

Table of Contents