EasyManua.ls Logo

Wavetek 2001 - Page 80

Wavetek 2001
102 pages
Print Icon
To Next Page IconTo Next Page
To Next Page IconTo Next Page
To Previous Page IconTo Previous Page
To Previous Page IconTo Previous Page
Loading...
Scans
by
=>
ARZ€KME.@
0
2003-2005
REV*
+30v/.
J
SCOPE
Hum
fit.
c?)
I
I
I
I
I
I
I
I
I
I
I
I
I
I
I
I
I
I
I
Scans
by
=>
ARTEK
MEDII'
@
2003-2005
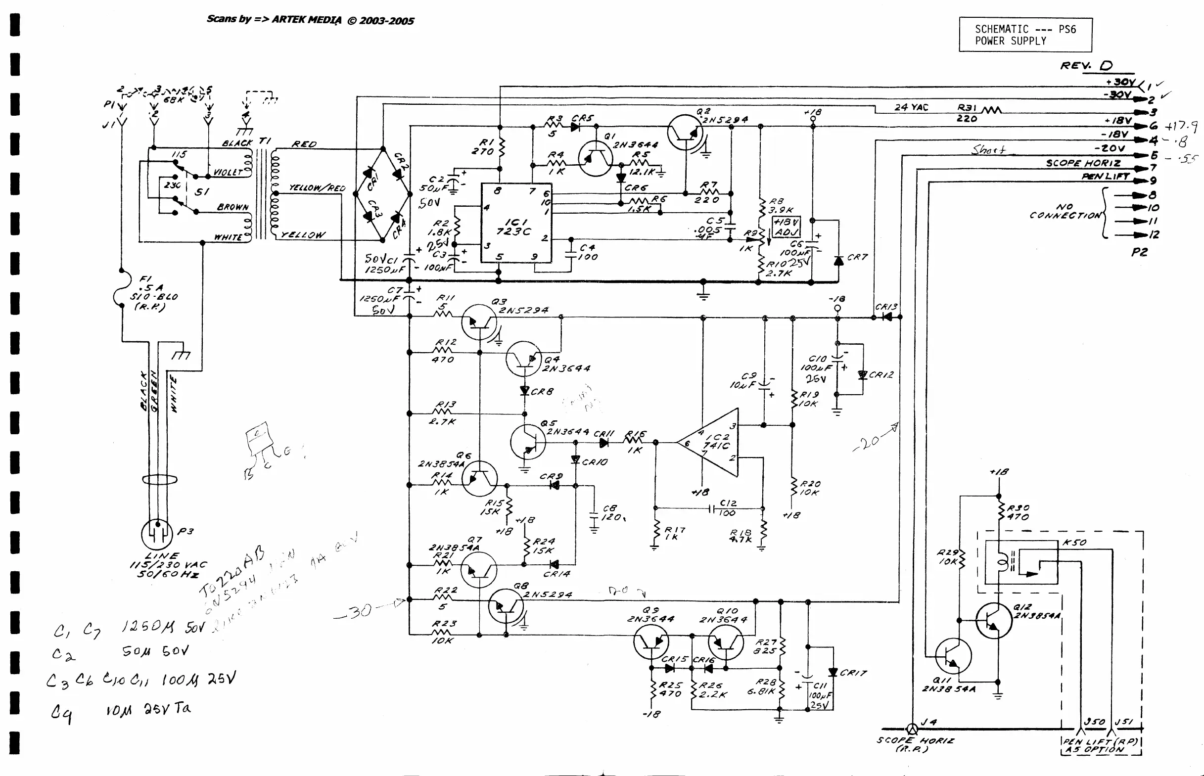
SCHEMATIC
---
PS6
POWER
SUPPLY
//.5
r-+---e
~
~
r;
0)4
ben/
WHirL
~
:3
~k
GJ.()
~JI
I
ooA
~5Y
t1Cj
J'O)A
~~y
T~
ReV.
D
,"/
------------------L---------------------------
__________________________
~~--~~----------------~~
..
~2
~-
~---------------4----------------------------~~------------~~~/8~----~~4YAC
R31
~
..
~
-,3C]
-_.,
470
RI
4170
~/.Y
'-----+----41
P.7k
H.2$
/OK
QI
21'1';644
~.r
IJ~
R
17
II<
~~~~~------._--
__
---------------l~2~O------------------+~/~B~V~
....
~
~17'1
-IBV
"4'-
.8
R7
C.9
ItJ,.{/F
....
/t!J
c/z
100
RIB
~7J<
Q/O
.2
N .3'6"4
'1-
+
-:-
-/8
((
c/o
10O",;::,
+
~Gv
~/.9
/O~·
-
-
R.JO
10K
"'/8
C,t?7
C;f/.]
h(}'rf
-'t.ov
-------~:!£..!:..L..---s-C-O-P.-'£'-H-O-fi'-I
z---~
6
- .
£~
------------------~~~~~~
..
7
__
------------------~~=~wL~'~~~~9
..
"
'-'0
./1
..
12
P2
c/?/.z
/"}
o~
R2.9
/0,1(
""/$
r---<~-----,
k
SO
- l
I
I
I
I
I
I
I
I
I
~4
v~
I
---
~~------------------~-
SCOPE
~t7K/L
f')r.
Po,)
IpL"N
4IFrf,qp)
I
~
~prlo!:!....
.-J

Related product manuals