EasyManua.ls Logo

Wavetek 2001 - Page 82

Wavetek 2001
102 pages
Print Icon
To Next Page IconTo Next Page
To Next Page IconTo Next Page
To Previous Page IconTo Previous Page
To Previous Page IconTo Previous Page
Loading...
REKA
.b
R
I
-
+IS
SWEEP
DRIVE
OUTPUT
CPO
A32VP-P
6.8
l2
I
-18
CLAMP
LEVEL
*/3
rvl
PS
3702
SHIFT
/ao~
4'-
-
+
c9
6-
8
I
I
I
I
I
I
I
I
I
I
I
I
I
I
I
I
I
I
I
t)
7
CI
6.8
Scans
by
=>
ARTEK
NEDItt
(§)
2003-2005
+IB
R5~
4.7K
1
C2
C/?I
P/VIOO
RI
2.20
R5S
G·B
K
+-
fS
R57
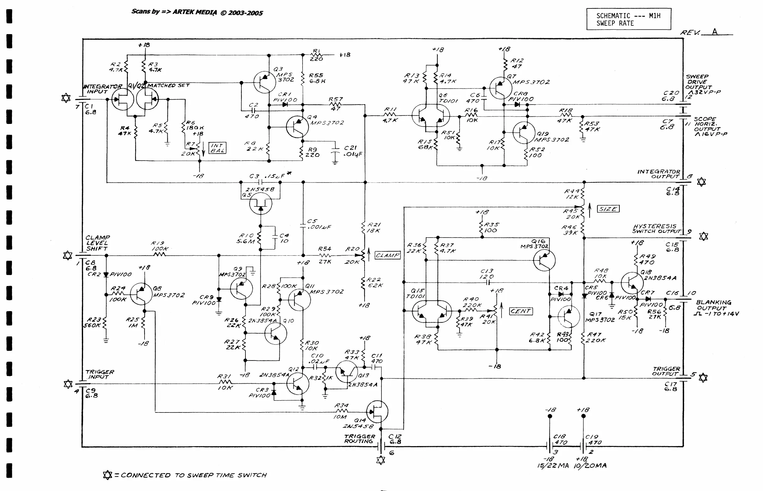
SCHEMATIC
---
M1H
SWEEP
RATE
REV.
A
SWEEP
DRIVE
ourpuT
C
20
1\3ZVP-P
6.8
12
C7
6.8
I
SCOPE'
II
HORtZ.
OUTPUT
.1\
JID
V
P-P
~
INTEG,RATOR
L--
____________________
-_/
8
________
.......
_
C
-----1
3
~.-I-S-.u
........
F--
........
-------......_.~-_
.~_.
___________
-~/.::::B~
______________
_._----------o-u-r-p.-'U-T
......
- 8_
(x
/
CLAMP
LEVeL
SHIFT
CB
6.8
C/?2
A'.2~
$601(
:=
rRIGqER
.
INPUT
/i'
/.9
lOOk
+/9
G8
MP5.?702
CP9
,oIVIOO
-
-/8
R..?I
-18
CI4
6.8
/\,4
"1
12K
+/6'
R~S
t
I
SIZE
I
201<
HYSTERESIS
CS
RSS
.
.«46"
C4
R21
18K
~
J=OO/.vF
10
R36
~
____________
5_W_1_TC_H
__
O_u
__
Tpv
__
r
___
9
~
+/8
CIS
100
39K
R37
4.7k
RI\A51'v4
__
/?_2--J0~
t
ICLAMPI
.22
K
-,I-/t9
27K
..2
Ok
e---+--------------f---i
-1-/8
+18
CI3
1..2 0
----~~~----------~J~------------~--.--+--.~
-18
~.8
.R4.9
470
QI8
2N.5'8S4A
-18
-18
TRIGGER
10
BLANKING
OUTPUT
JL
-/
TO
+J4V
(X
"'1
C9
(0.8
10K
~----~--------------------------------------
______
~-----------------O-U-T-A-v-r~=_~~
CI7
6-8
-/8
TRI4~t=R
C
12
L-
_____________________________________________________
ROU
___
~
__
NG~
~I
_G_.8
_____________________________
~
cO
cia
14TO
.3
C
0=
CONNECTED
TO
SWEEP
T1M£
SWItCH
-/el
lo/22MA
+/8
C/9
470
2
+18
lo/2.0MA

Related product manuals