EasyManua.ls Logo

Wavetek 2001 - Page 85

Wavetek 2001
102 pages
Print Icon
To Next Page IconTo Next Page
To Next Page IconTo Next Page
To Previous Page IconTo Previous Page
To Previous Page IconTo Previous Page
Loading...
I
SWEEP
SAMPIE
INPUTS
REY:
C
I
I
I
E~TERNA
L
c,
SWE.PSAMPL€
R/
4
k
NOTE
M5H
AS
SHOWN-
MSG
OMIT
PARTS
41
/N
SXRDED
AA'O
RhD
CONNEC
TO
J-Z
f
C
-/SD/REC
TL
r
MARKER
./b'
I
C3
I
I
I
I
1:
+/B
t
R
/Z
5~6A'
-/8
-/B
4
RW
I
/OK
t/B
R/5
b
R2l
5.dK
3e3Y
MARKER
I
El
c/8
00
7PU
T
32YP70P
f
P
-
-
I
f
P
I
I
S-/
-18
JI
-Mc16
/OduF
+Mc/7
/OOaF
I
cs
c/o
C//
~8
W4
1-4
cL2/,
I+
1,
-1
-4
~y~t26,~~o
'
4
70
//
8
v
B
-1
-IT
-18
+/8
I
70
SMPER
/5MA
/2
MA
I
I
I
I
I
R~TERNAJ.
I
MARKEN
INPUT
./11'
I
I
I
I
I
B/,I?£JY
I
INPUTS
/~MJ/
,aTOP
I
I
I
I
I
I
I
I
6.8
C4
C5
3
6.8
Scans
by
=>
ARTEK
MEDI/4 @
2003-2005
_---
........
$W£EPSAM.P££
.Ill
,Rt;
S.tS/<
r?/Z
,5.6K
NI5
S.6K
If'/d
5.6/(
-/8
Q4
2N.s-oe8
-18
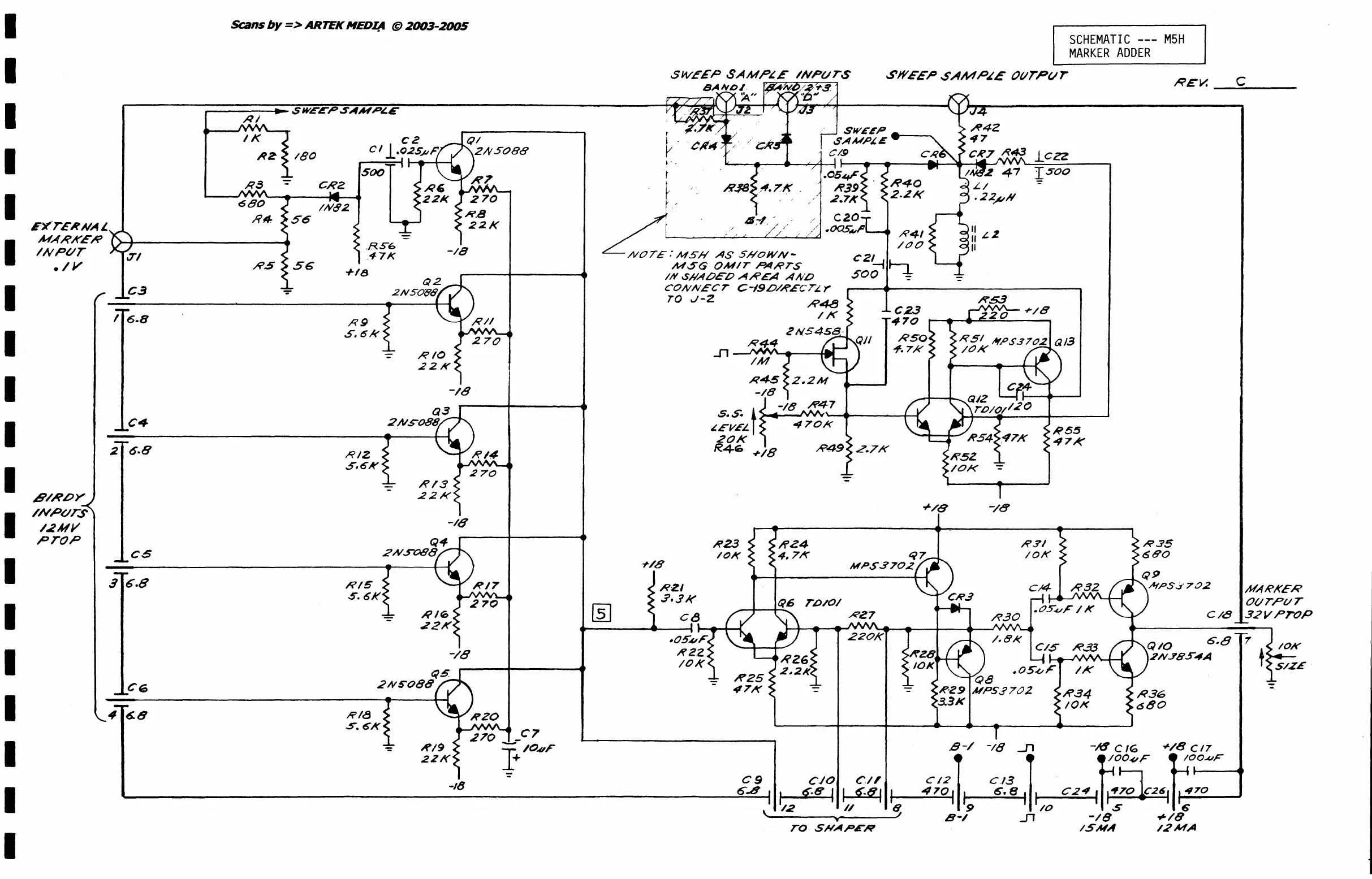
SCHEMATIC
---
M5H
MARKER
ADDER
SWEEP
$AMP~E
INPl/T$
SWEEP
.sAMP~£
OVTP(I
r
~EV.
__
C
_____
_
~
..
t
,
~
r . /
.05~
/?3.9
.2.7~
L:M5HA~'S::~N-
/
C20
·000000P
M..5G
OMIT
F14/i'TS
/NSNA£)EOA~EA
Ah£)
CONN£Cr
C-190/~EC,r,,-'r
TO
J-Z
~48
...n
/M
.1<45
-/8
/K
S.s.
t~/B
H47
,EVEL
4701<
.201<
R46
+18
R49
2.7K
C9
6.8
T£>/O/
C.lO
C.I'
r 6-e I I §;e, I
\.
/2
II
~
...
TO
SHAPCH
~soo
-/8
.J1
C-13
r
6.8,
I
/0
.J"l
iYARKER
Ot/TPl/T
C/8
32vprop
6
..
8 7

Related product manuals