EasyManua.ls Logo

Wayne P250 series - Page 38

Wayne P250 series
46 pages
Print Icon
To Next Page IconTo Next Page
To Next Page IconTo Next Page
To Previous Page IconTo Previous Page
To Previous Page IconTo Previous Page
Loading...
38
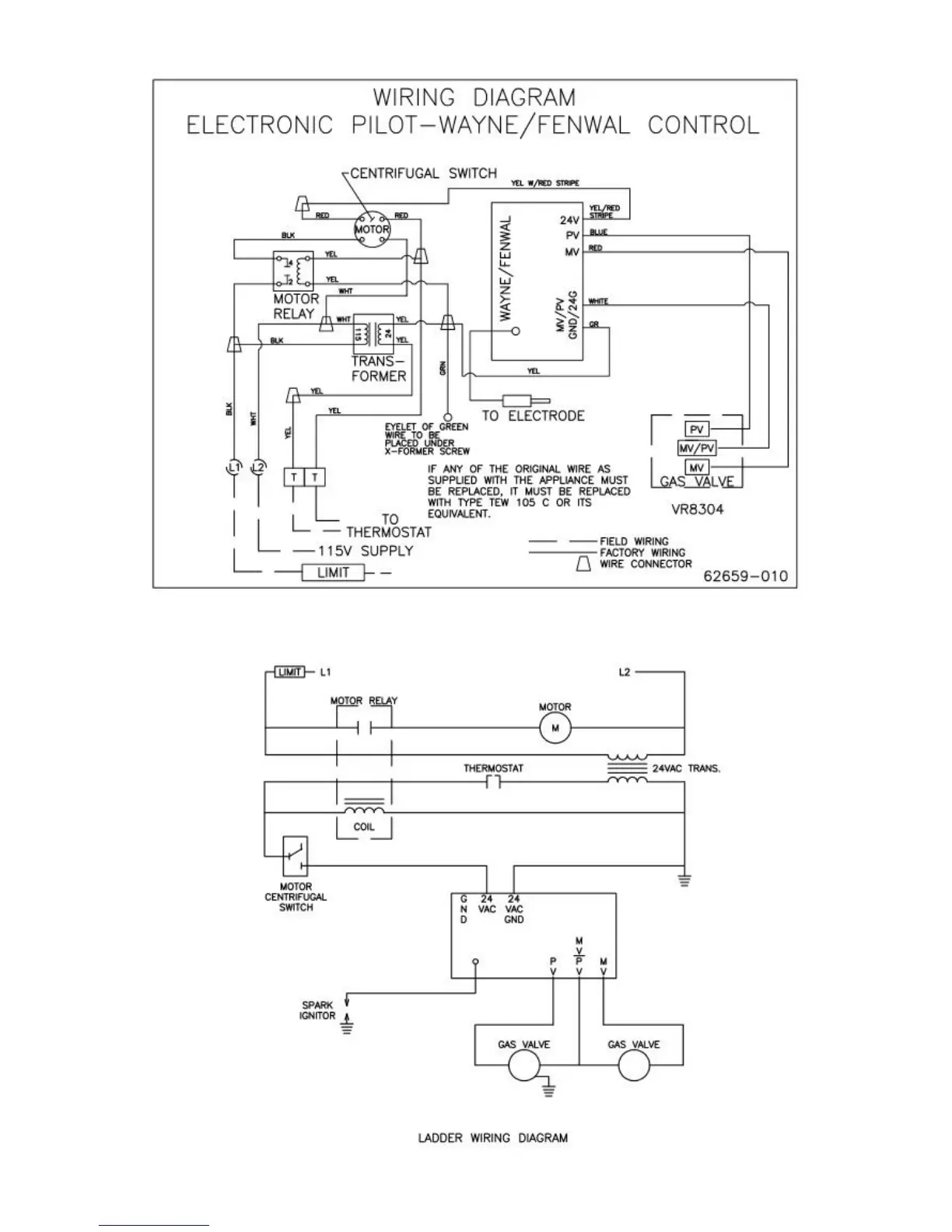
FIGURE 26: WIRING DIAGRAMS FOR GAS BURNER WITH ELECTRONIC PILOT-FENWAL

Table of Contents

Related product manuals