EasyManua.ls Logo

Wolf FGB-28 - Page 88

Wolf FGB-28
104 pages
Print Icon
To Next Page IconTo Next Page
To Next Page IconTo Next Page
To Previous Page IconTo Previous Page
To Previous Page IconTo Previous Page
Loading...
88
3064458_201811
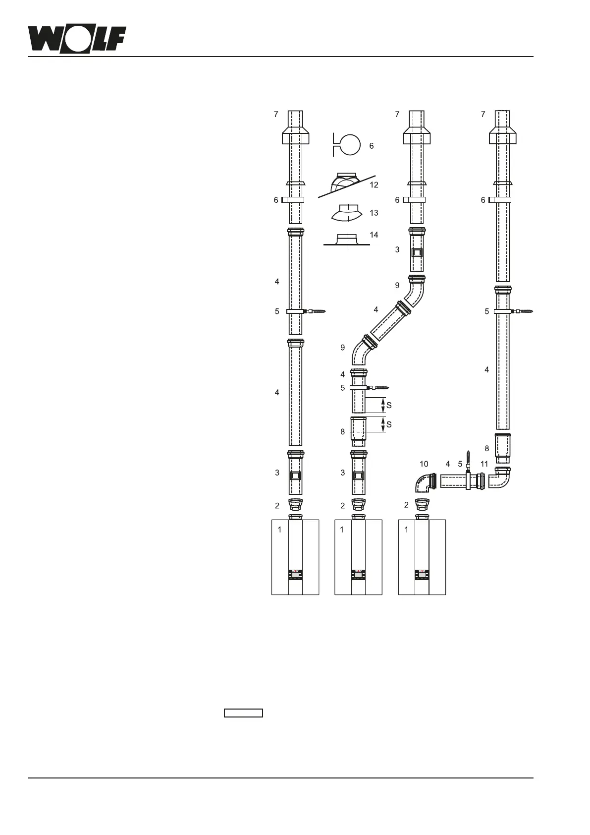
VerticalconcentricbalancedueC33x(examples)systemDN80/125
Type C33x: Gas condensing boiler with
combustion air and ue gas
routed vertically to above the
roof.
1 Gas condensing boiler
2 Adaptor DN60/100 to DN80/125
3 Balanceduewith
inspection port
(250 mm long)
4 Balancedue
DN80/125
500 mm
1000 mm
2000 mm
5 Spacer bracket
6 Mounting bracket DN125
for roof outlet
7 Balancedue,vertical
DN80/125
(roof outlet for
at or pitched roofs)
L = 1200 mm
L = 1800 mm
8 Separator
(slide coupling) if required
9 Bend 45°
DN 80/125
10 Inspection bend 87° DN 80/125
11 Bend 87° DN 80/125
12 Universal tile for
pitched roof 25/45°
13 "Klöber" adaptor 20-50°
14 Flat roof collar
Notes: When installing, slide the separator (8) fully into the female
connection. Push the subsequent balanced ue (4) 50 mm (dim. "S")
into the female connection of the separator and always secure in this
position, e.g. with pipe clips DN125 (5) or with a locking screw on the
air side.
Lubricate the pipe ends and gaskets for easier installation (use
silicone-free grease only).
Prior to installation, liaise with your local ue gas inspector regarding
the required inspection piece (3) (10). Adapter (2) is always required.
Please note
C33x C33x C33x
31.Technicalinformation,balancedue

Related product manuals