EasyManua.ls Logo

Worcester GB162-50

Worcester GB162-50
72 pages
To Next Page IconTo Next Page
To Next Page IconTo Next Page
To Previous Page IconTo Previous Page
To Previous Page IconTo Previous Page
Loading...
Installation
6720813171 (2015/04) 19
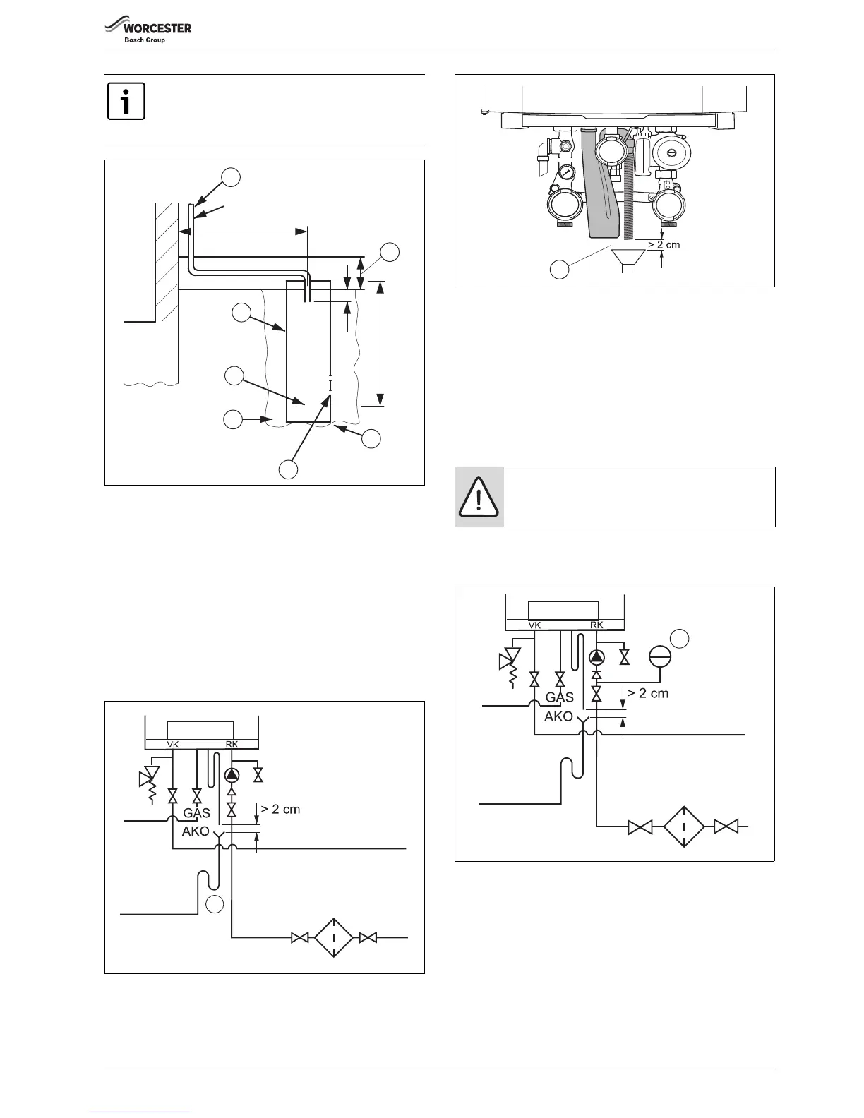
Fig. 22 External termination of condensate drain pipe to absorption
point
[1] External length of pipe 3 m max.
[2] Plastic tube
[3] Bottom of tube sealed
[4] Limestone chippings
[5] Two rows of three 12 mm holes at 25 mm centres, 50 mm from
bottom of tube and facing away from house
[6] Hole depth
[7] Ground (either/or)
8.2.11 Connecting the condensate drain pipe
Connect the condensate drain pipe to the condensate trap
( fig. 23, [1] and fig. 24, [1]).
Fig. 23 Connecting the condensate trap
[1] Condensate trap
Fig. 24 Condensate drainage pipe
[1] Minimum distance > 2 cm
Observe the following regulations:
The (local) waste water disposal regulations.
The condensate trap in the connection kit must not be permanently
connected to the condensate drain pipe. The minimum distance
between the condensate trap and the condensate drain pipe is 2 cm.
An air gap should be maintained between the boiler condensate trap and
the condensate pipework.
8.2.12 Connecting the expansion vessel in a single-boiler system
Connect the expansion tank to the boiler return (CHR). If a non-return
valve is available: connect the expansion vessel to the CH-side of the
non-return valve in the return circuit ( fig. 25, [1]).
Fig. 25 Connecting the expansion vessel in a single-boiler system
[1] Expansion vessel
When discharging condensate to an outside drain
caution must be taken to ensure blockage cannot occur
during freezing conditions. If this is likely to occur, the
use of a condensate trap is recommended.
Ø100 mm min.
400 mm min.
300 mm min.
25 mm min.
1000 mm min.
Ø21.5 mm min.
6 720 648 726-022.1TD
7
6
5
4
3
2
1
1
6 720 648 726-023.1TD
CAUTION: Damage to the installation due to faulty
pressure relief valve.
The expansion vessel must be of sufficient capacity.
1
6 720 648 726-024.1TD
1
6 720 648 726-025.1TD

Table of Contents

Other manuals for Worcester GB162-50

Related product manuals