EasyManua.ls Logo

Worcester Greenstar Danesmoor Utility Regular ErP 25/32

Worcester Greenstar Danesmoor Utility Regular ErP 25/32
56 pages
To Next Page IconTo Next Page
To Next Page IconTo Next Page
To Previous Page IconTo Previous Page
To Previous Page IconTo Previous Page
Loading...
Service and Spares
Greenstar Danesmoor Utility
ErP
and Utility System
ErP
- 6 720 813 286 (2014/09) 43
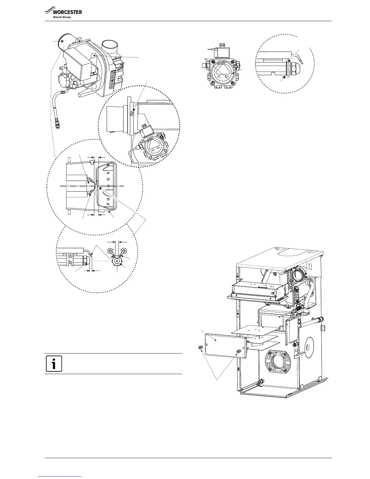
Fig. 77 Burner removal
The internal filter is accessed by removing screws (G) and the oil
pump cover (H), refer to figure 78.
Replace the standard flexible oil line/s at every annual service to
prevent the possibility of leakage due to ageing.
Reassemble the burner components.
Check the O-ring seal located around the combustion head and
replace if necessary.
Fig. 78 Pump detail
Combustion chamber - 18/25 Regular shown
Release the M10 retaining nuts and washers (A) and remove baffle/
combustion chamber access door (B).
Check the fibreglass rope seal on the baffle/combustion chamber
access door (B) and replace if necessary.
Remove the one piece baffle set (C), clean and check the condition.
Replace if considered to be badly corroded/degraded.
Thoroughly clean all of the heat exchanger surfaces using a suitable
brush and clear all loose debris from the combustion chamber.
Check the condition of the baffle/combustion chamber access door
insulation. If the insulation is damaged the door assembly must be
replaced.
Check the condition of the baffle/combustion chamber access door
seal.
Refit the one piece baffle set (C) making sure it is seated correctly on
the 4 rests (D) and pushed into the correct position as shown in the
plan view opposite.
Refit baffle/combustion chamber access door (B).
Secure with nuts and washers (A) and tighten until the door is firmly
secured. Do not over tighten the nuts.
Fig. 79 Combustion chamber
This seal must be in good condition, seal failure will
cause flue gases to escape into the room.
3.5 - 4.0mm
C
E
E
2.0 - 2.5mm
C
Electrode gap
5mm
5mm
C
E
B
D
F
B
6720808218-76.1Wo
RIELLO
G - Retaining screws - cover
H - Cover - oil pump
G
RDB OIL PUMP
H
Locating circlip
(on 12/18 model only)
Brass air deflection washer
6720808218-104.1Wo
6720808218-77.1Wo
B
A
C

Table of Contents

Related product manuals