EasyManua.ls Logo

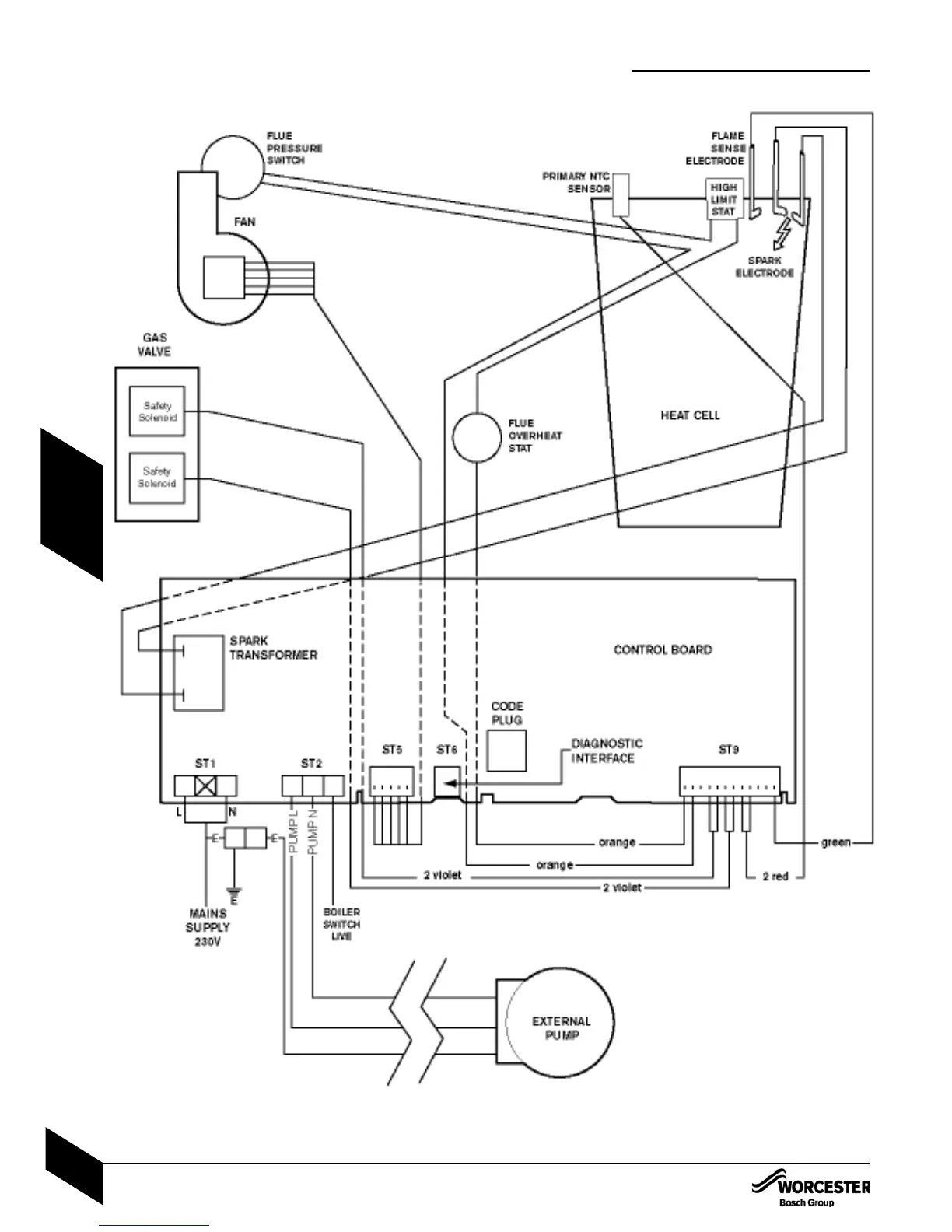
Worcester Greenstar Ri - Position of Wired Components; Electrical Diagram of Components

Worcester Greenstar Ri
53 pages
Print Icon
To Next Page IconTo Next Page
To Next Page IconTo Next Page
To Previous Page IconTo Previous Page
To Previous Page IconTo Previous Page
Loading...
POSITION OF WIRED
COMPONENTS
POSITION OF WIRED COMPONENTS
INSTALLATION & SERVICING INSTRUCTIONS FOR WORCESTER BOSCH GREENSTAR Ri
8 716 109 699a (05/05)
25
INSTALLATIONCOMMISSIONING

Other manuals for Worcester Greenstar Ri

Related product manuals