EasyManua.ls Logo

Xplore 304 - Page 176

Xplore 304
206 pages
Print Icon
To Next Page IconTo Next Page
To Next Page IconTo Next Page
To Previous Page IconTo Previous Page
To Previous Page IconTo Previous Page
Loading...
14-2
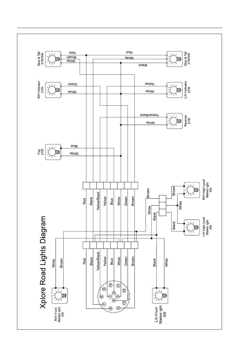
ELECTRICAL DRAWINGS
ROAD LIGHTS - XPLORE

Table of Contents