EasyManua.ls Logo

Xylem HYDROVAR HV2.1f - Page 33

Xylem HYDROVAR HV2.1f
72 pages
Print Icon
To Next Page IconTo Next Page
To Next Page IconTo Next Page
To Previous Page IconTo Previous Page
To Previous Page IconTo Previous Page
Loading...
33
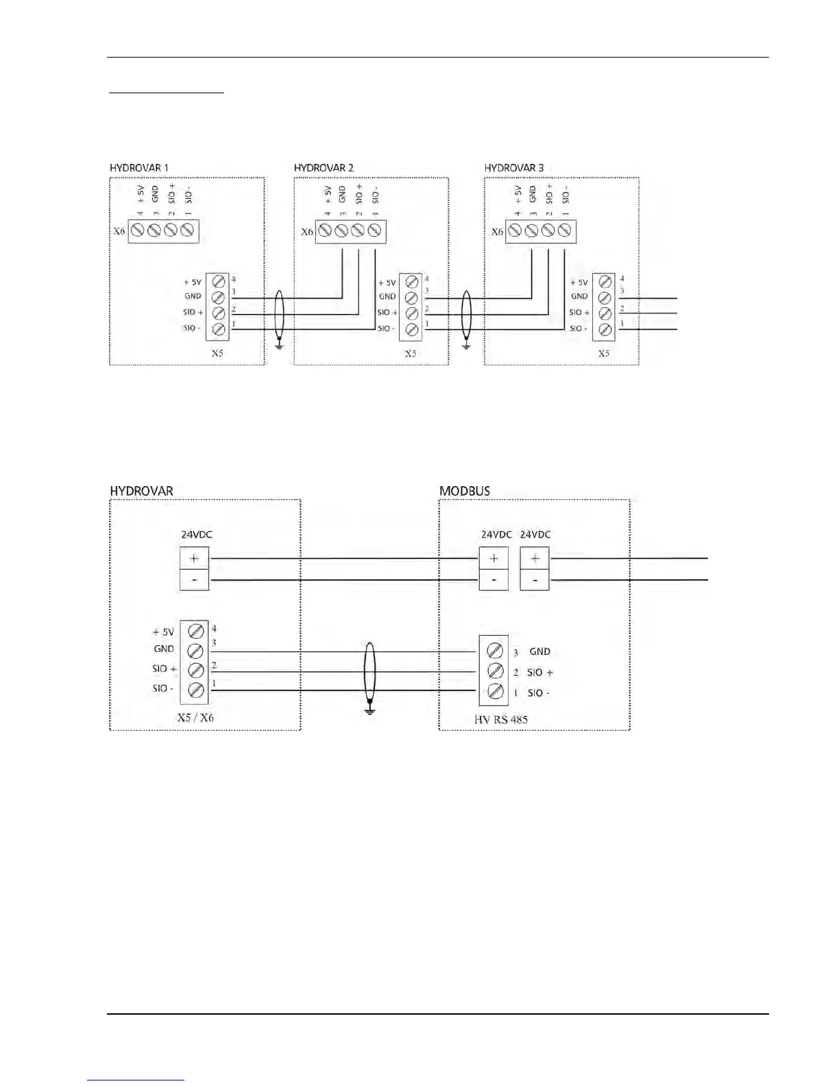
Terminal X5 / X6
For multi-pump applications (synch. or multicontroller) you have to connect each HYDROVAR
(max. 4) via the RS 485 interface. (Use screened cables!)
Using the optional Modbus interface, one or more HYDROVAR could communicate via the
standardized Modbus-protocol with an external-control-device (e.g. PLC).
The terminal “HV RS485“ is the RS485 interface to the HYDROVAR.
SIO-, SIO+ and GND must be connected with the corresponding terminals of the RS 485
interface of the HYDROVAR.
Caution! GND must be connected because it is the ground connection for the whole
interface.
For the power supply of the interface you have to connect the terminal of the fan on the
Modbus - interface and the HYDROVAR. (see chapter 6.3)
The second terminal on the Modbus could be used to connect a fan.
HYDROVAR 4
fan connection
Power
supply

Related product manuals