EasyManua.ls Logo

Yamaha MD4 - Signal Flow Chart

Yamaha MD4
88 pages
Print Icon
To Next Page IconTo Next Page
To Next Page IconTo Next Page
To Previous Page IconTo Previous Page
To Previous Page IconTo Previous Page
Loading...
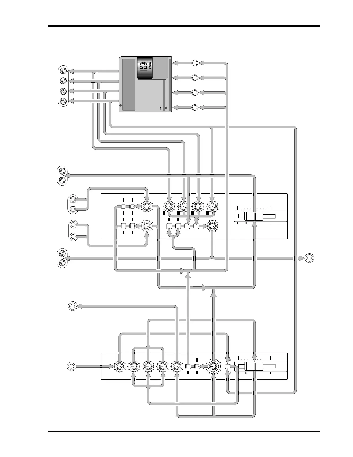
Signal Flow Chart 69
MD4—Owner’s Manual
Signal Flow Chart
TRACK DIRECT OUT
1 2 3 4
GROUP
STEREO
CUE
MONITOR LEVEL
MIN MAX
1 2 1 2
3 4 3 4
LEVEL
010
LEVEL
010
GROUP ASSIGN
1 3
2 4
GROUP ASSIGN
1
2
3
4
010
010
010
010
10
9
8
7
6
5
4
3
2
1
0
MASTER
AUX
RETURN
STEREO
SUB IN
STEREO
MONITOR
SELECT
CUE LEVEL
GAIN
LINE MIC
1 2
3 4
AUX
010
HIGH
12 +12
MID
12 +12
LOW
12 +12
PAN
L
ODD
R
EVEN
PB MIC/
LINE
10
9
8
7
6
5
4
3
2
1
0
GROUP ASSIGN
AUX RETURN
L R
STEREO SUB IN
L R
REC SELECT
1234
PHONES
AUX SEND
MIC/LINE INPUT
STEREO OUTMONITOR OUT
L R L R
123
4
WRITE PROTECT
140MB
REWRITABLE MD

Table of Contents

Other manuals for Yamaha MD4

Related product manuals