EasyManua.ls Logo

Yamaha PC4002 - Page 40

Yamaha PC4002
43 pages
Print Icon
To Next Page IconTo Next Page
To Next Page IconTo Next Page
To Previous Page IconTo Previous Page
To Previous Page IconTo Previous Page
Loading...
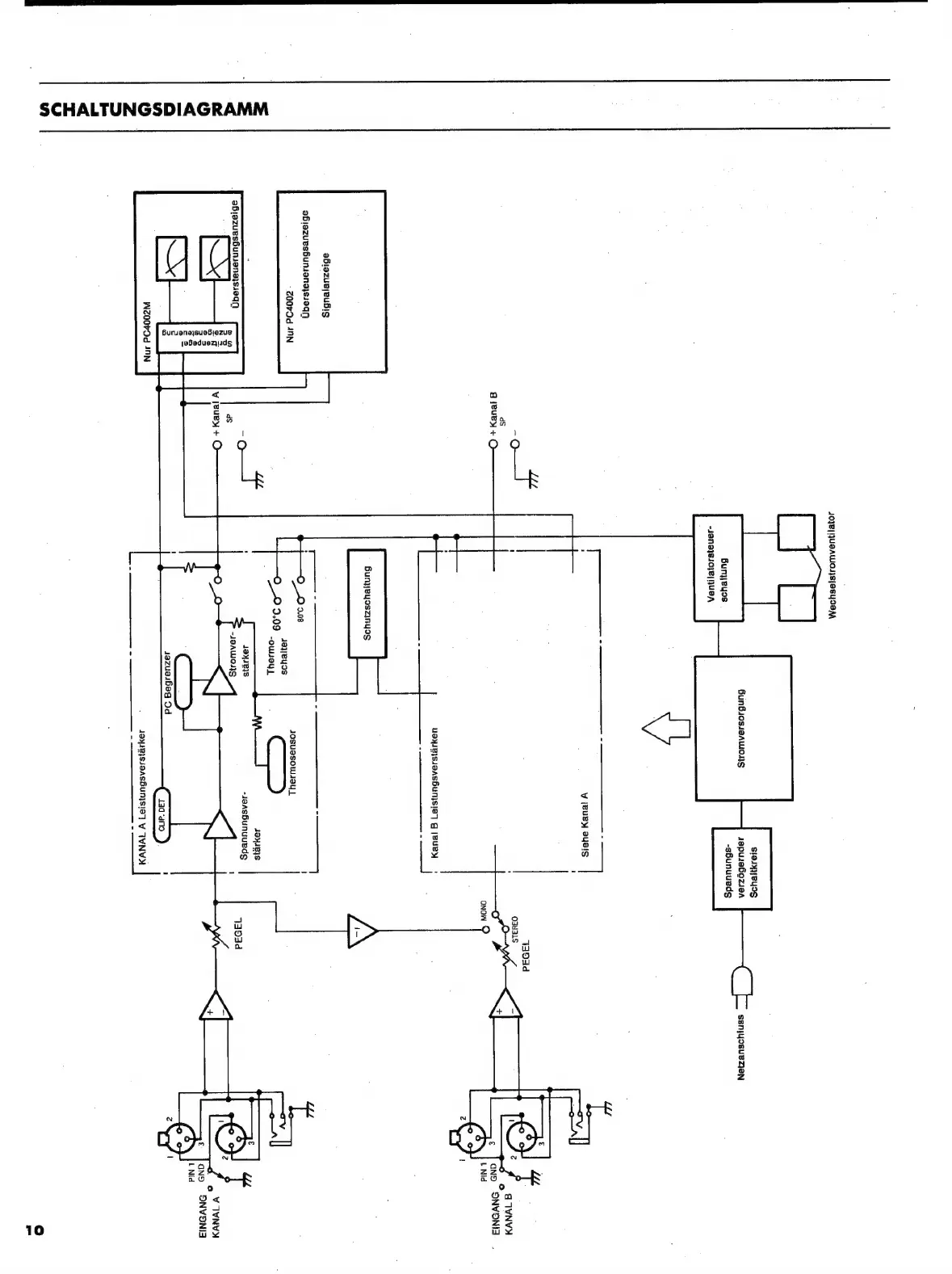
SCHALTUNGSDIAGRAMM
дозе
уиолшодејевцоо
Bunyeyos
-запајвзоје
|
HUSA,
PLE
dS
gieuey+
О
бипецоѕдпцос$
sBıazusjeußis
ə5iəzues6uniənəlsiəqn
r
Е
а
зів
200794
Ann
||
з
о
0
2.09
-oway
>
|
H
1941815
зб!охивебиплолајвлодп
so
Е
-„аашодв
ÈR
v
[ече
+
О
O_O
°
33
58
4%
CD
:
5
1əzuəi5əg
Od
Wz00r0d
INN
зјел
825
бипбіоблалшодя
лерџлебог
ел
-sBunuueds
у
leuey
əuə!S
|
лазза
039315
usylejsisasBunjsIe]
Я
leuey
'
ама
JOSUISOWISUL
19341815
-18AsBunuueds
19934
a
|
1ex181s1oAsBunisio]
V
1VNVM
звпцовивдем
ER
ге:
Я
ТУМУЯ
амо
ОМУОМАа
.
ума
o
У
ТУМУЯ
омо
ӘМУӘМІЗ
L
Nid
10

Related product manuals