EasyManua.ls Logo

Yamaha Programmable Mixer 01 - Group Block Diagram

Yamaha Programmable Mixer 01
154 pages
Print Icon
To Next Page IconTo Next Page
To Next Page IconTo Next Page
To Previous Page IconTo Previous Page
To Previous Page IconTo Previous Page
Loading...
Group Block Diagram
57
ProMix 01 User’s Guide
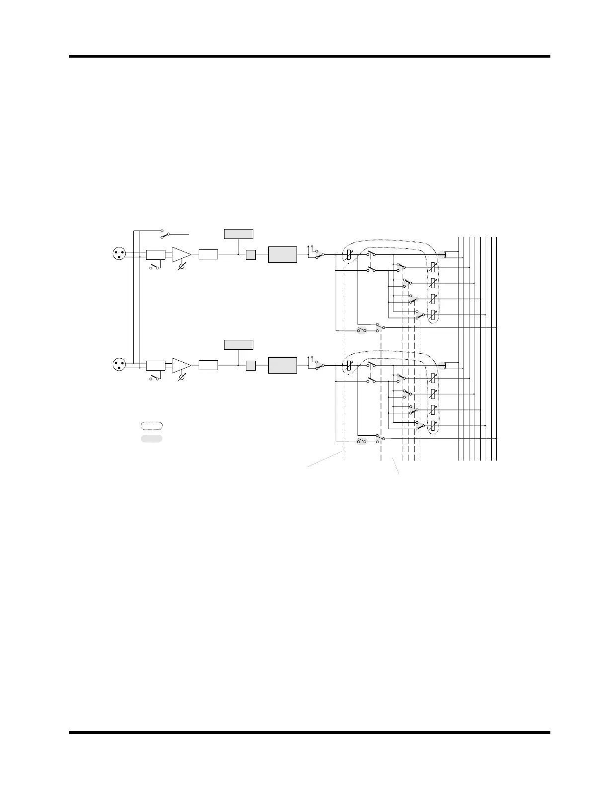
Group Block Diagram
This block diagram shows what happens when channels are grouped.
Faders are linked for simultaneous control and the group CUE func-
tion is active. See “Listening to Groups on page 56 for details about
group CUE. Note that fader grouping works only for channel-to-mix
faders, not channel-to-send faders.
20dB GAIN
HAPAD
PHANTOM MASTER (+48V)
ON
OFF
ON
METER
ø
3BAND
PEQ
COMP
AD
ST
L R 1 2 3 4 L R
SEND CUE
CH FADER
SEND1
SEND2
SEND3
SEND4
PAN
GROUP
CUE
PRE/POST
20dB GAIN
HAPAD
ON
METER
ø
3BAND
PEQ
COMP
AD
SEND1
SEND2
SEND3
SEND4
PAN
PRE/POST
Phantom
power feed
CUE
CUE
CH FADER
Multifunction faders and switches
LCD functions
Grouped fader link
Group CUE is available when the
GROUP LCD function is selected
GROUP
CUE

Table of Contents

Other manuals for Yamaha Programmable Mixer 01

Related product manuals