EasyManua.ls Logo

Yamaha Programmable Mixer 01 - Pair Block Diagram

Yamaha Programmable Mixer 01
154 pages
Print Icon
To Next Page IconTo Next Page
To Next Page IconTo Next Page
To Previous Page IconTo Previous Page
To Previous Page IconTo Previous Page
Loading...
Pair Block Diagram
59
ProMix 01 User’s Guide
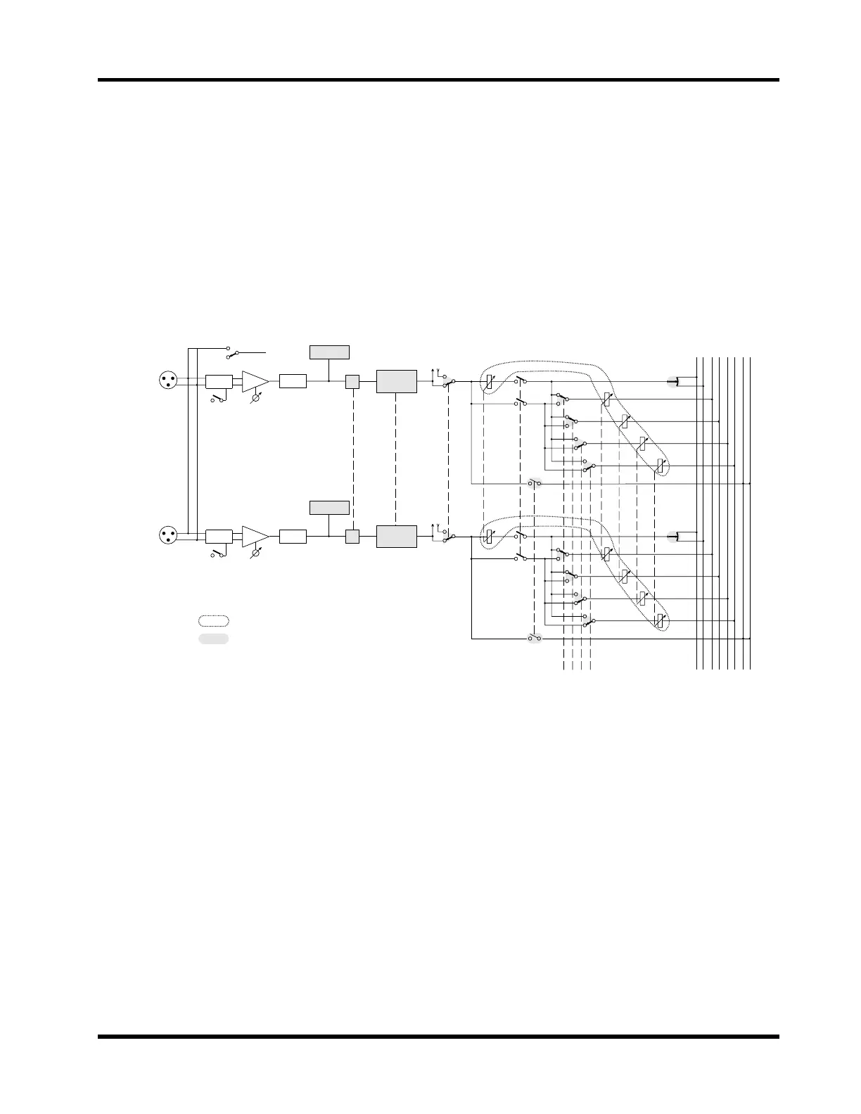
Pair Block Diagram
This block diagram shows what happens when adjacent input chan-
nels are paired: PHASE, EQ, COMP patch, faders, ON/OFF, CUE,
SEND1, SEND2, SEND3, and SEND4 are linked for simultaneous
control. The dotted lines show which channel functions are linked.
The send PRE/POST switches are always linked.
20dB GAIN
HAPAD
PHANTOM MASTER (+48V)
ON
OFF
ON
ø
3BAND
PEQ
COMP
AD
ST
L R 1 2 3 4 L R
SEND CUE
CH FADER
SEND1
SEND2
SEND3
SEND4
PAN
PRE/POST
20dB GAIN
HAPAD
ON
METER
ø
3BAND
PEQ
COMP
AD
PAN
PRE/POST
Phantom
power feed
CUE
CH FADER
Multifunction faders and switches
LCD functions
ODD
Channel
EVEN
Channel
METER
CUE
SEND1
SEND2
SEND3
SEND4

Table of Contents

Other manuals for Yamaha Programmable Mixer 01

Related product manuals