EasyManua.ls Logo

Yamaha RX-V4ABL - Connecting a Network Cable (Wired Connection)

Yamaha RX-V4ABL
325 pages
Print Icon
To Next Page IconTo Next Page
To Next Page IconTo Next Page
To Previous Page IconTo Previous Page
To Previous Page IconTo Previous Page
Loading...
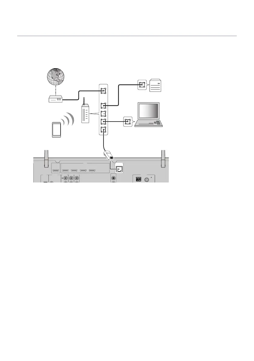
Connecting a network cable (wired connection)
Connect the unit to your router with a commercially-available STP network cable (CAT-5 or higher straight
cable).
When using a router that supports DHCP, you do not need to configure any network settings for the unit.
ANTENNA
FMAM
AUDIO 5AUDIO 4
OPTICAL COAXIAL
HDMI
PRE OUT
SUBWOOFER
AUDIO 2
(3 MUSIC)
AUDIO 1
AUDIO 3
NETWORK
HDMI OUT
eARC/ARC
( 2 RADIO )
(4 NET RADIO)
1 2 3 4
(1 MOVIE)
1
2
75
LAN
WAN
Network Attached Storage
(NAS)
Internet
Modem
Wireless router
PC
Network cable
The unit (rear)
NOTE
You need to configure the network settings if your router does not support DHCP or if you want to configure the network parameters
manually.
Related links
(
“Setting the network parameters manually”(p.216)
(
“Checking the network information of the unit”(p.213)
63
PREPARATIONS > Preparing for connecting to a network

Table of Contents

Related product manuals