EasyManua.ls Logo

Yamaha WR450F 2021 - Page 80

Yamaha WR450F 2021
402 pages
Print Icon
To Next Page IconTo Next Page
To Next Page IconTo Next Page
To Previous Page IconTo Previous Page
To Previous Page IconTo Previous Page
Loading...
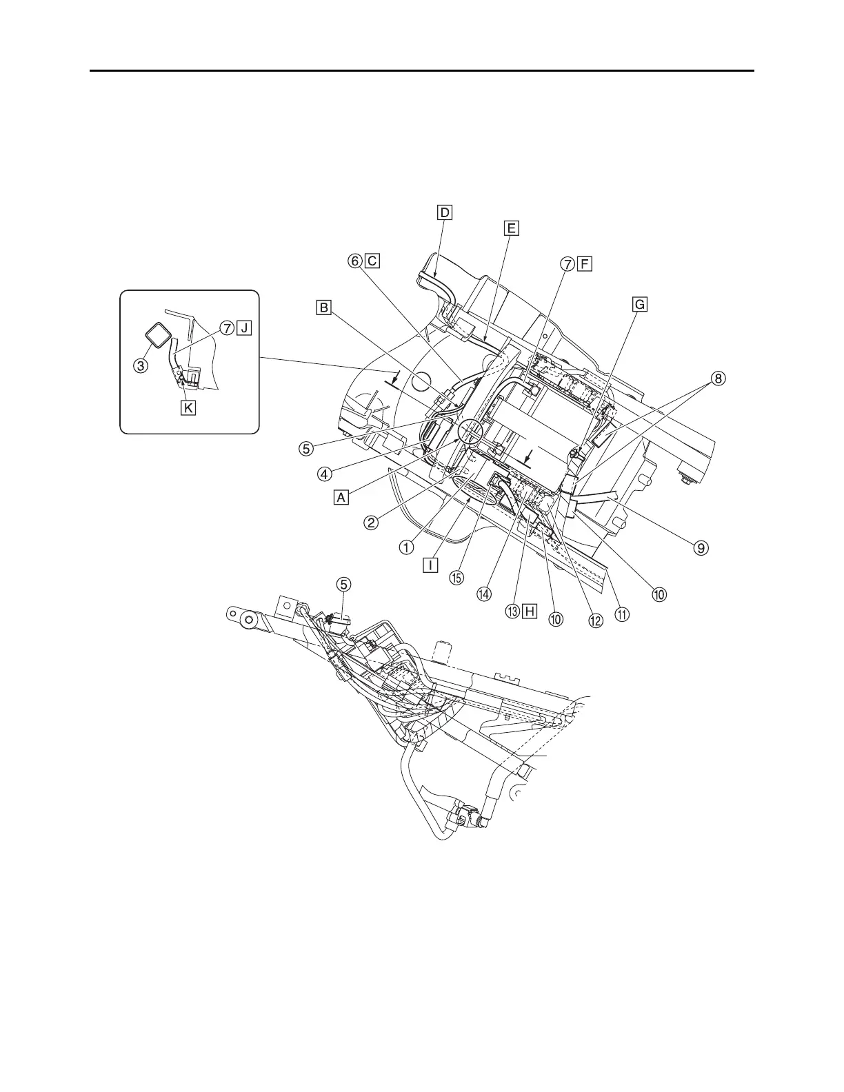
CABLE ROUTING DIAGRAM
2-27
Frame and battery (top view)

Table of Contents

Related product manuals