EasyManua.ls Logo

YASKAWA L1000E - Main Circuit Connection Diagram

YASKAWA L1000E
236 pages
Print Icon
To Next Page IconTo Next Page
To Next Page IconTo Next Page
To Previous Page IconTo Previous Page
To Previous Page IconTo Previous Page
Loading...
3 Electrical Installation
26 YASK AWA TOEPYAIL1E01A YASKAWA AC Drive L1000E Quick Start Guide
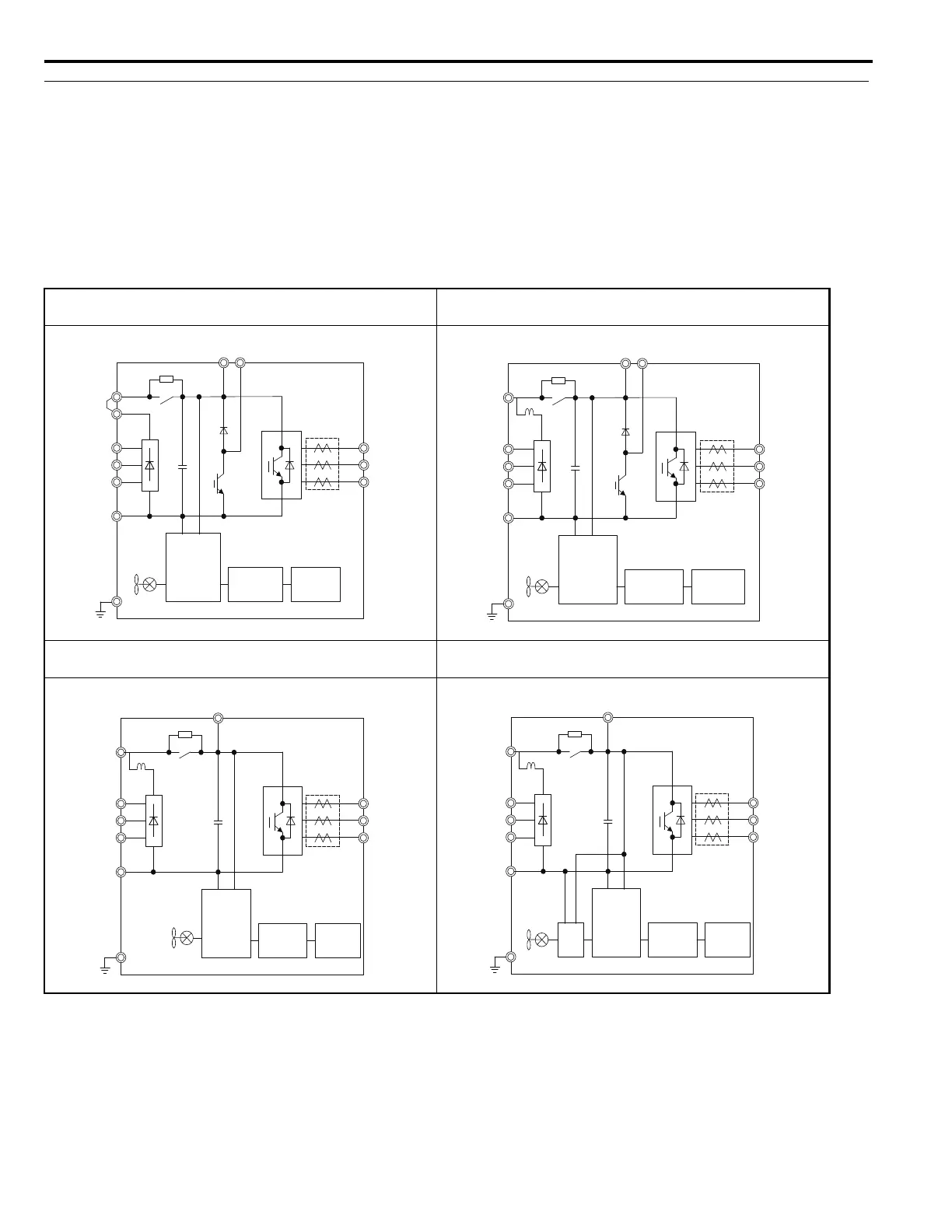
Main Circuit Connection Diagram
Refer to the Figure 9 when wiring the main circuit of the drive. Connections may vary based on drive capacity. The DC
power supply for the main circuit also provides power to the control circuit.
NOTICE: Do not use the negative DC bus terminal “-” as a ground terminal. This terminal is at high DC voltage potential. Improper
wiring connections could damage the drive.
NOTICE: Equipment Hazard. Separate motor and/or braking circuit wiring (terminals, U/T1, V/T2, W/T3, +3, +2, +1,(-), B1, B2, from all
other wiring. Place motor wiring within its own conduit or cable tray with appropriate divider, and use shielded motor cable where
appropriate. Improper wiring practices could result in malfunction of drive due to electrical interference.
Figure 9 Drive Main Circuit Configurations
2A0018 to 2A0094
4A0009 to 4A0049
2A0106 and 2A0144
4A00456 and 4A0075
2A0181 and 2A0225
4A0094 to 4A0140
2A0269 to 2A0432
4A0188 to 4A0260
+1
+2
R/L1
S/L2
T/L3
Relay
Gate board
Control
board
Operator
+
Current
sensor
U/T1
V/T2
W/T3
B1 B2
+1
R/L1
S/L2
T/L3
U/T1
V/T2
W/T3
B1 B2
DC link
choke
+
Relay
Gate board
Control
board
Operator
Current
sensor
YEA_
com-
+1
R/L1
S/L2
T/L3
U/T1
V/T2
W/T3
+
+3
DC link
choke
Relay
Gate board
Control
board
Operator
Current
sensor
YEA_
com-
+1
R/L1
S/L2
T/L3
U/T1
V/T2
W/T3
+3
+
24 V
Power
Supply
DC link
choke
Relay
Gate board
Control
board
Operator
Current
sensor
YEA_
com-

Related product manuals