EasyManua.ls Logo

York DNH018 - Typical Wiring Diagram; Typical Wiring Diagram (208;230-3-60 Power Supply)

York DNH018
32 pages
Print Icon
To Next Page IconTo Next Page
To Next Page IconTo Next Page
To Previous Page IconTo Previous Page
To Previous Page IconTo Previous Page
Loading...
036-21233-002-A-0903
26 Unitary Products Group
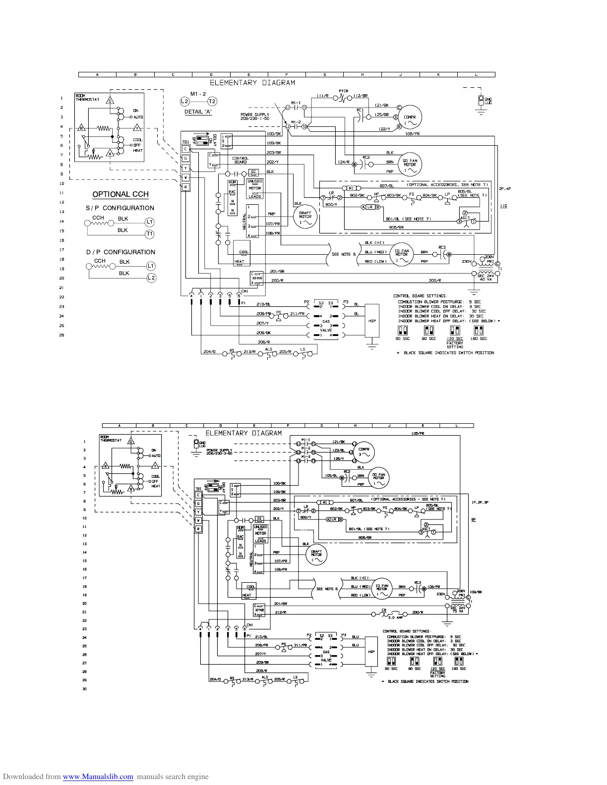
FIGURE 13 - TYPICAL WIRING DIAGRAM (208/230-1-60 POWER SUPPLY)
FIGURE 14 - TYPICAL WIRING DIAGRAM (208/230-3-60 POWER SUPPLY)
SEE
DETAIL
"A"
T2
M1-2
DETAIL "A"
L
2
BLK
BLK
CCH
L1
T1
OPTIONAL CCH
S / P CONFIGURATION
BLK
BLK
CCH
L1
D / P CONFIGURATION
L
2

Table of Contents