EasyManua.ls Logo

Zodiac Z950 - Page 35

Zodiac Z950
40 pages
Print Icon
To Next Page IconTo Next Page
To Next Page IconTo Next Page
To Previous Page IconTo Previous Page
To Previous Page IconTo Previous Page
Loading...
3
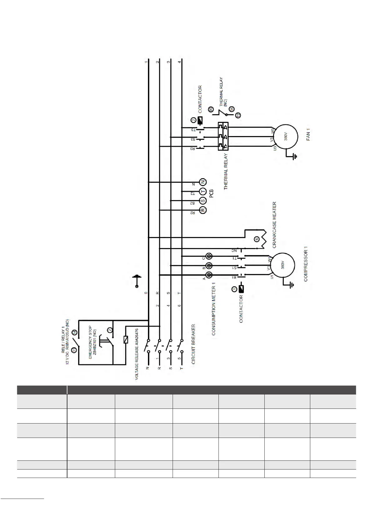
Schéma de puissance / Power supply diagram / Leistungswirkbild / Spanningschema / Esquema de potencia / Esquema de
potência / Schema di potenza
Français Deutsch Nederland Español Português Italiano
EMERGENCY
STOP
Arrêt d’urgence Notstopp Noodstop
Parada de
emergencia
Paragem de
emergência
Arresto
d’emergenza
VOLTAGE
RELEASE
Bobine de
déclenchement
Auslösespule
Uitschakel-
spoel
Bobina de
acvación
Bobina de
lançamento
Bobina di
avviamento
CIRCUIT
BREAKER
Disjoncteur Schutzschalter
Elektrische
zekering
Disyuntor Disjuntor
Interruore
dierenziale
CONSUMPTION
METER
Indicateur de
consommaon
Verbrauchsanzeige
Verbruiks-
indicator
Indicador de
consumo
Indicador de
consumo
Indicatore di
consumo
CONTACTOR Contacteur Schütz Contactor Contactor Contator Contaore
COMPRESSOR Compresseur Kompressor Compressor Compresor Compressor Compressore

Related product manuals