EasyManua.ls Logo

Zodiac Z950 - Page 38

Zodiac Z950
40 pages
Print Icon
To Next Page IconTo Next Page
To Next Page IconTo Next Page
To Previous Page IconTo Previous Page
To Previous Page IconTo Previous Page
Loading...
6
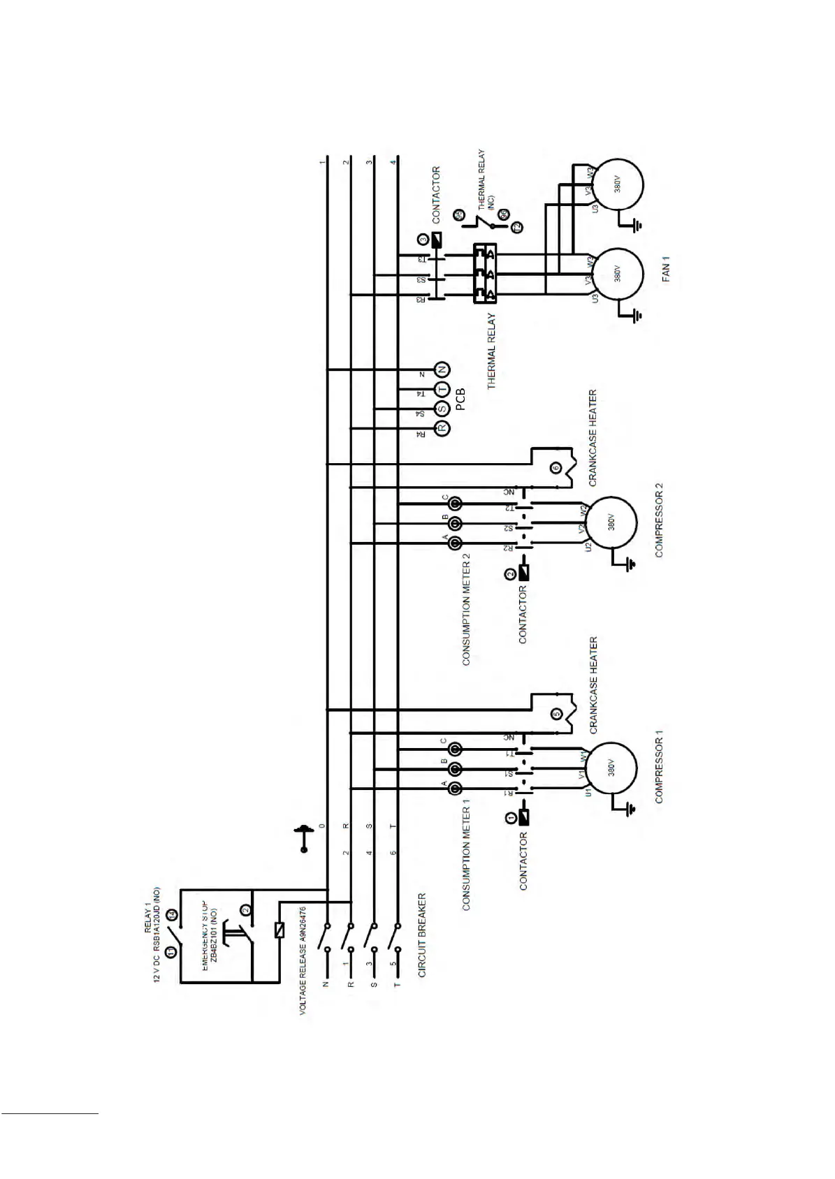
Schéma de puissance / Power supply diagram / /Leistungswirkbild / Spanningschema / Esquema de potencia / Esquema de potência
/ Schema di potenza

Related product manuals