EasyManua.ls Logo

ABB ACS800-104

ABB ACS800-104
46 pages
To Next Page IconTo Next Page
To Next Page IconTo Next Page
To Previous Page IconTo Previous Page
To Previous Page IconTo Previous Page
Loading...
12 Option description
The STO function corresponds to Prevention of unexpected start-up as specified by
EN ISO 14118:2018 (ISO 14118:2017), and Uncontrolled stop (stop category 0) as
specified in EN/IEC 60204-1.
Operation principle
1. The user opens the Safe torque off circuit with an STO activation switch (or it is
opened by a device such as safety relay).
2. The STO inputs on the drive/inverter de-energize.
3. The STO cuts off the control voltage from the inverter IGBTs.
4. The control program generates an indication as defined in the table below.
5. Motor coasts to a stop (if running). The drive/inverter cannot restart while the
activation switch or safety relay contacts are open. After the contacts close, a new
start command may be required to start the drive (depends on parameter settings).
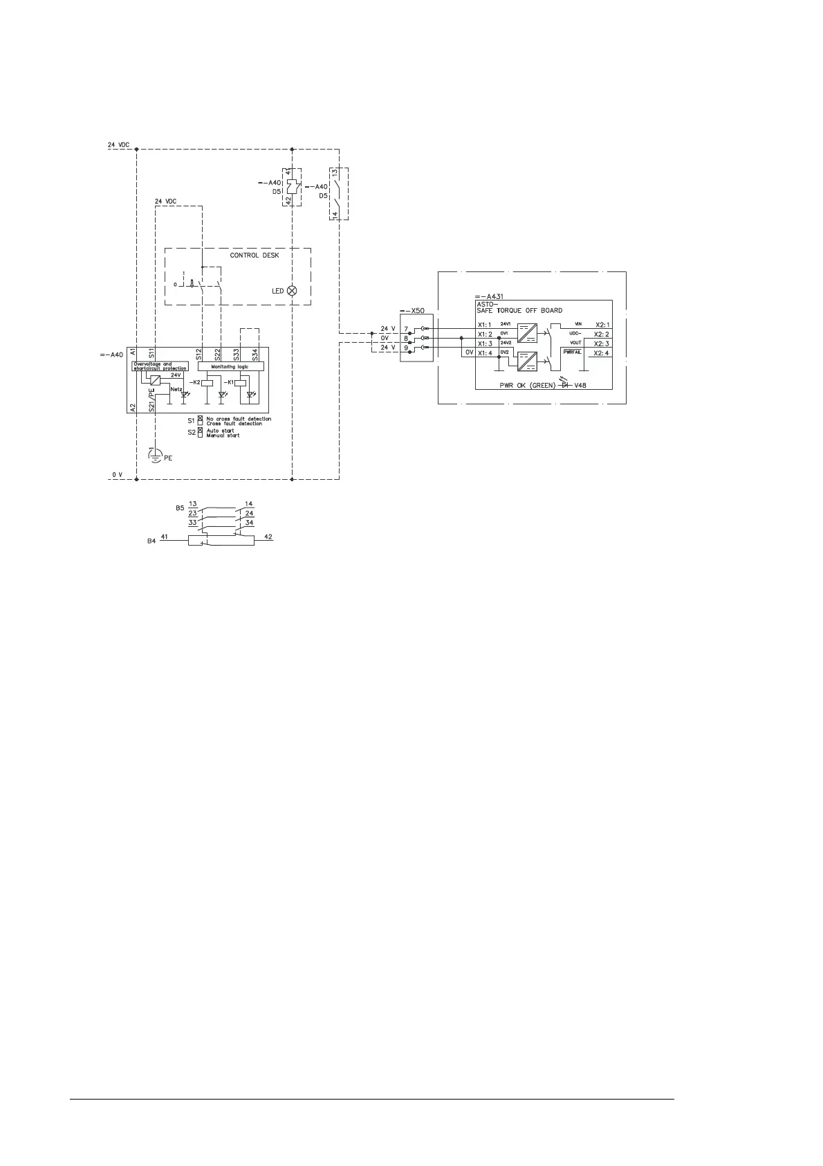
INVERTER MODULE R8i
Example diagram of STO in R8i module
with safety relay

Table of Contents

Other manuals for ABB ACS800-104

Related product manuals