EasyManua.ls Logo

ABB ACS800-104

ABB ACS800-104
46 pages
To Next Page IconTo Next Page
To Next Page IconTo Next Page
To Previous Page IconTo Previous Page
To Previous Page IconTo Previous Page
Loading...
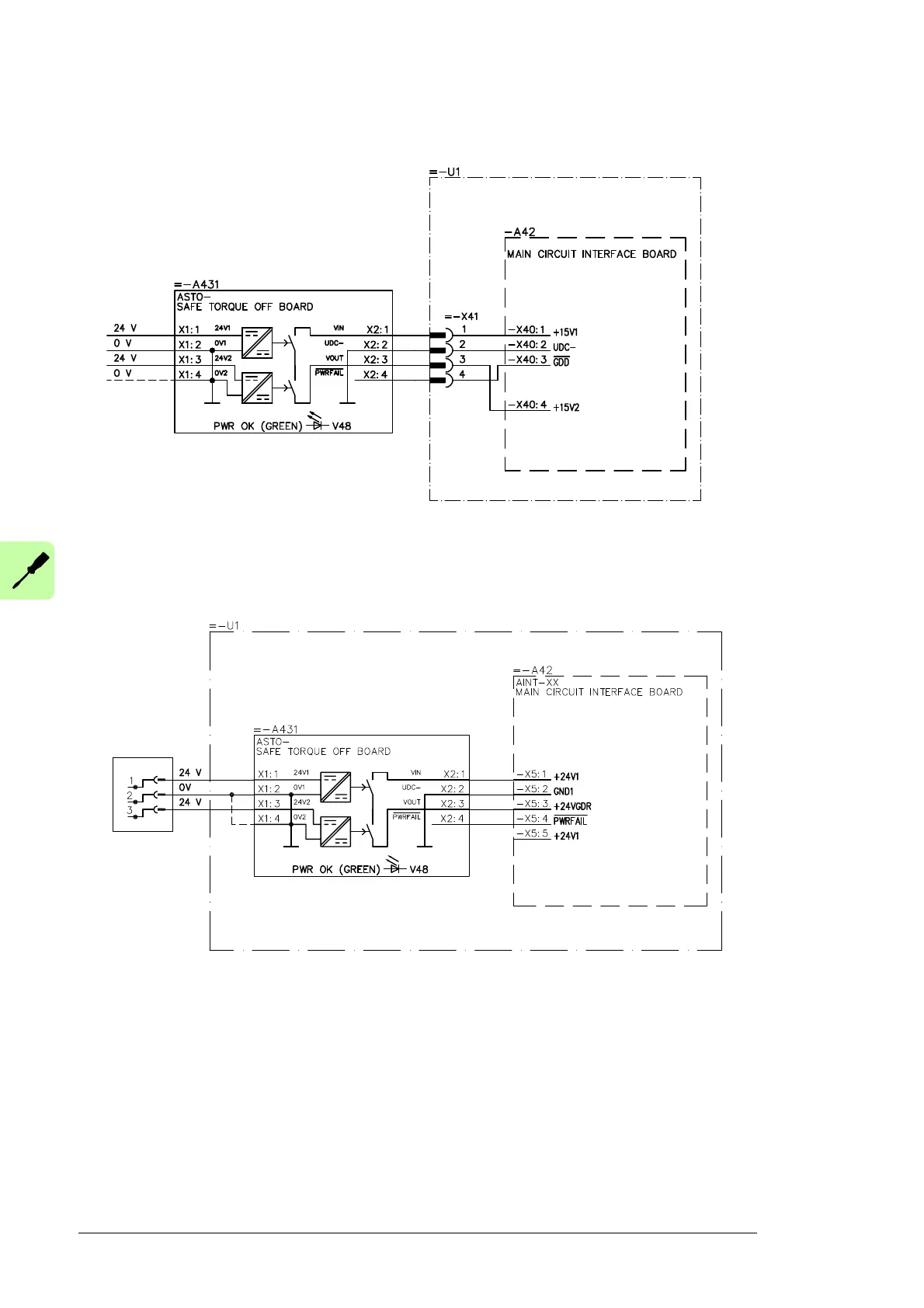
18 Installation
Frame sizes R2 to R6
Frame sizes R7 and R8
3AUA0000072542
RINT-XXXX / GINT-XXXX
3AUA0000072272

Table of Contents

Other manuals for ABB ACS800-104

Related product manuals