EasyManua.ls Logo

ABB ACS800-104

ABB ACS800-104
46 pages
To Next Page IconTo Next Page
To Next Page IconTo Next Page
To Previous Page IconTo Previous Page
To Previous Page IconTo Previous Page
Loading...
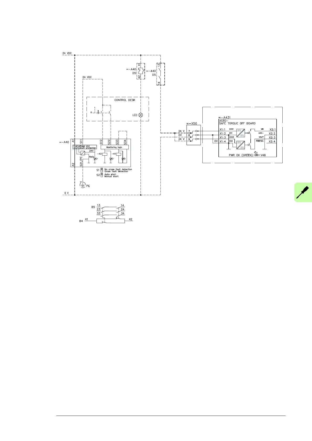
Installation 27
Frame size R8i
3AUA0000071143
INVERTER MODULE R8i

Table of Contents

Other manuals for ABB ACS800-104

Related product manuals