EasyManua.ls Logo

ABB ACS800-104

ABB ACS800-104
46 pages
To Next Page IconTo Next Page
To Next Page IconTo Next Page
To Previous Page IconTo Previous Page
To Previous Page IconTo Previous Page
Loading...
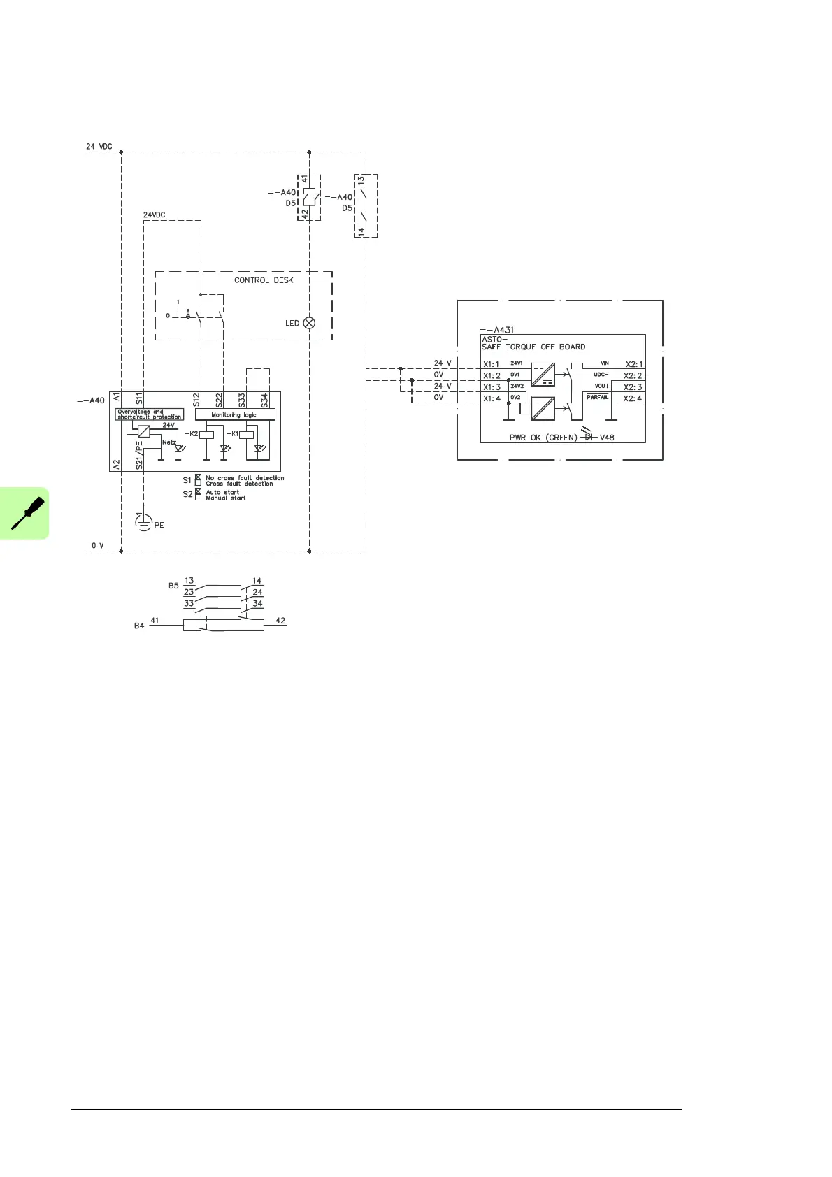
24 Installation
Frame sizes R2i to R4i
3AUA0000071122
INVERTER MODULE R2i, R3i AND R4i

Table of Contents

Other manuals for ABB ACS800-104

Related product manuals