EasyManua.ls Logo

ABB ACS800-104

ABB ACS800-104
46 pages
To Next Page IconTo Next Page
To Next Page IconTo Next Page
To Previous Page IconTo Previous Page
To Previous Page IconTo Previous Page
Loading...
28 Installation
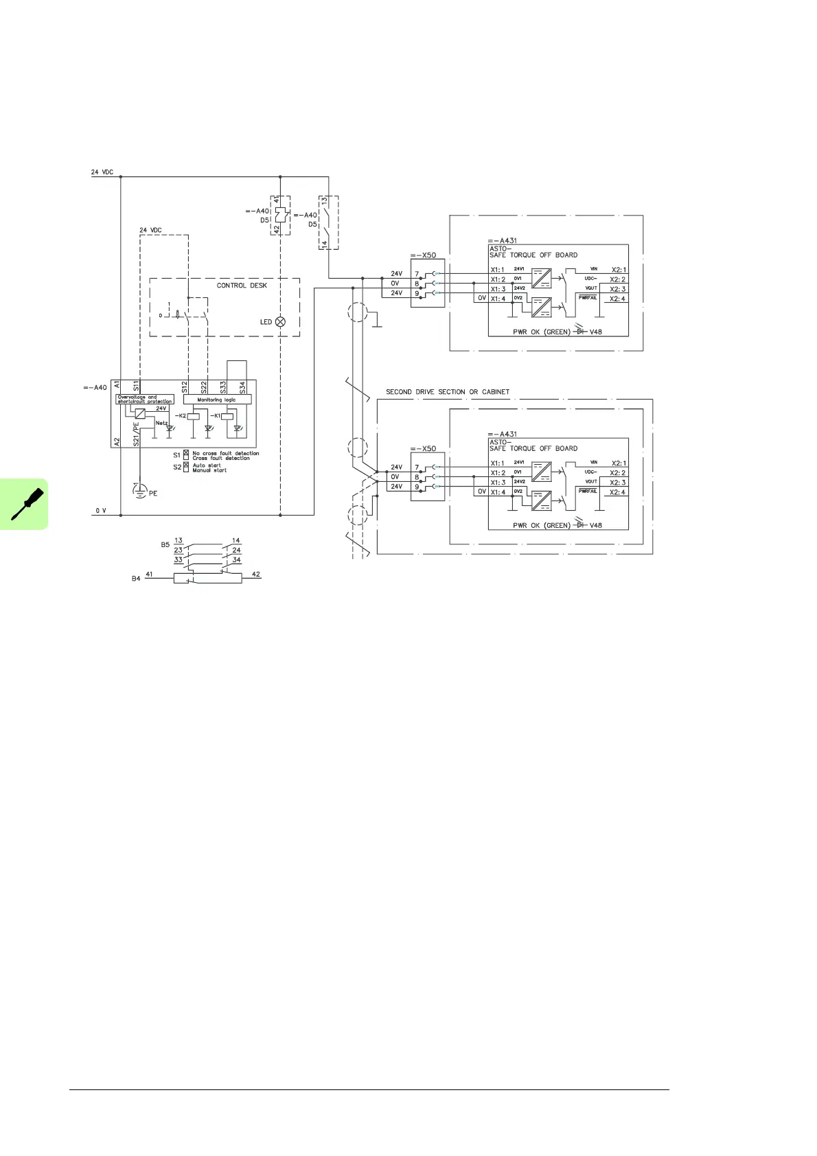
Connecting several drive/inverter modules or inverter units to one safety relay
In the example, R8i modules are used, but the same principle applies to any frame size.
3AUA0000096632
INVERTER MODULE R8i
INVERTER MODULE R8i

Table of Contents

Other manuals for ABB ACS800-104

Related product manuals