EasyManua.ls Logo

ABB ACS800-104

ABB ACS800-104
46 pages
To Next Page IconTo Next Page
To Next Page IconTo Next Page
To Previous Page IconTo Previous Page
To Previous Page IconTo Previous Page
Loading...
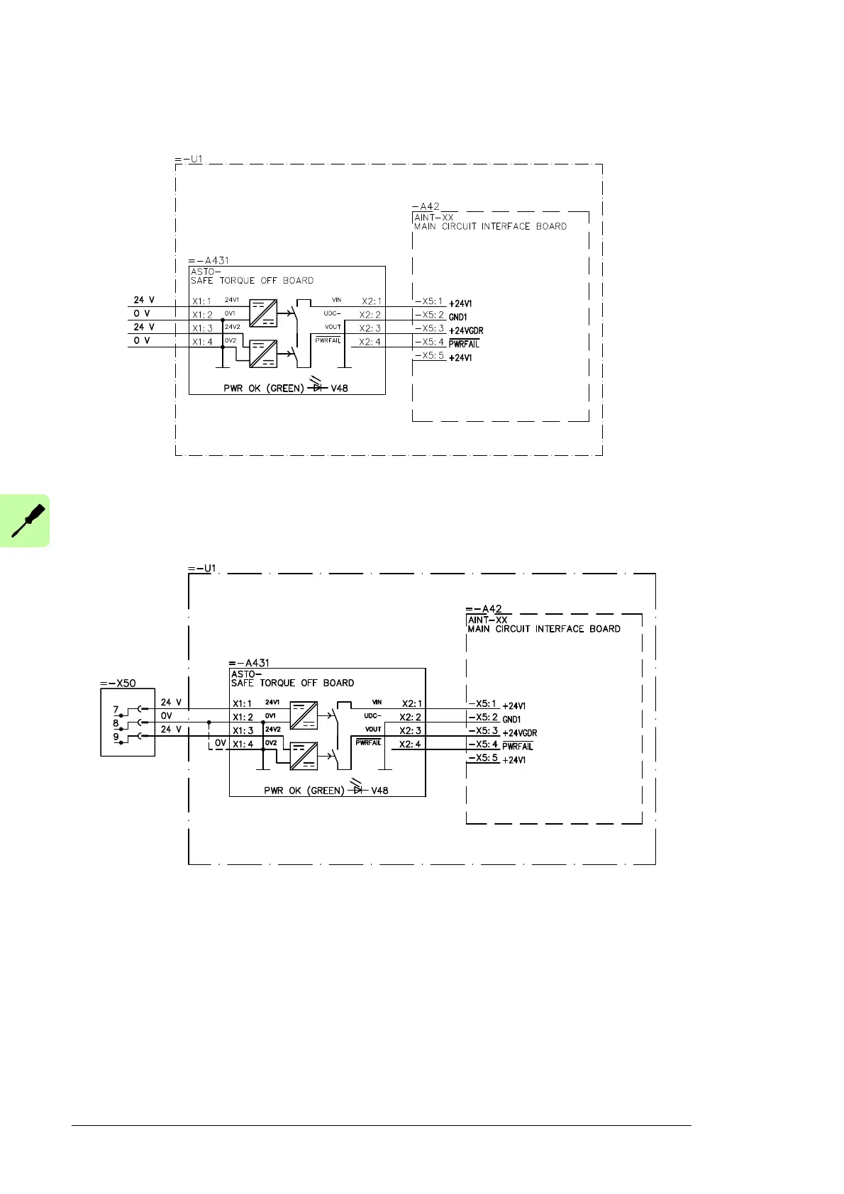
20 Installation
Frame size R7i
Frame size R8i
3AUA0000077458
3AUA0000077457

Table of Contents

Other manuals for ABB ACS800-104

Related product manuals