EasyManua.ls Logo

ABB OMD800 - Control Circuit Diagram OMD800 with Motorized OTM40

ABB OMD800
72 pages
Print Icon
To Next Page IconTo Next Page
To Next Page IconTo Next Page
To Previous Page IconTo Previous Page
To Previous Page IconTo Previous Page
Loading...
19
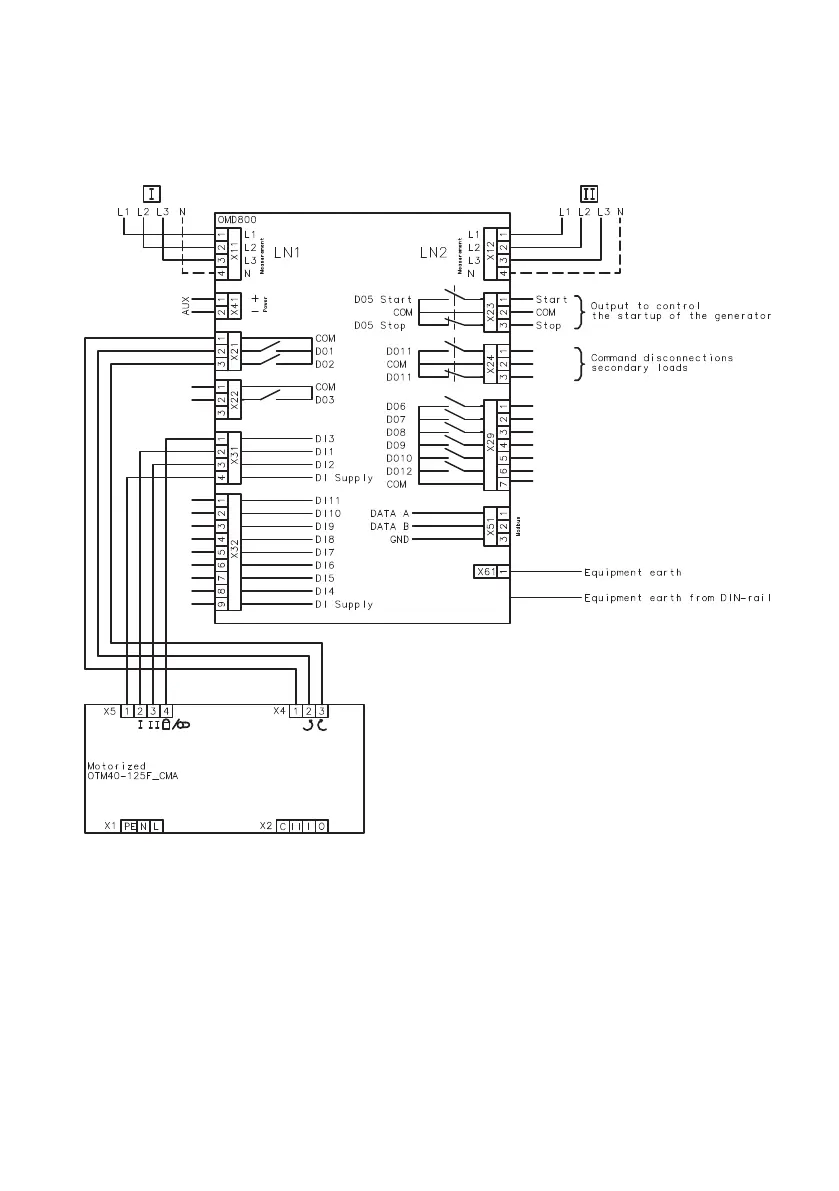
AUTOMATIC CONTROL UNIT, OMD800
AUTOMATIC CONTROL UNIT, OMD800
Figure 5.1 Control circuit diagram OMD800 with motorized OTM40…125_CMA_
A07290
5.2 Control circuit
5.2.1 Control circuit diagram OMD800 with motorized OTM40...125_CMA

Related product manuals