EasyManua.ls Logo

ABB OMD800 - Control Circuit Diagram OMD800 with Motorized OTM160

ABB OMD800
72 pages
Print Icon
To Next Page IconTo Next Page
To Next Page IconTo Next Page
To Previous Page IconTo Previous Page
To Previous Page IconTo Previous Page
Loading...
20
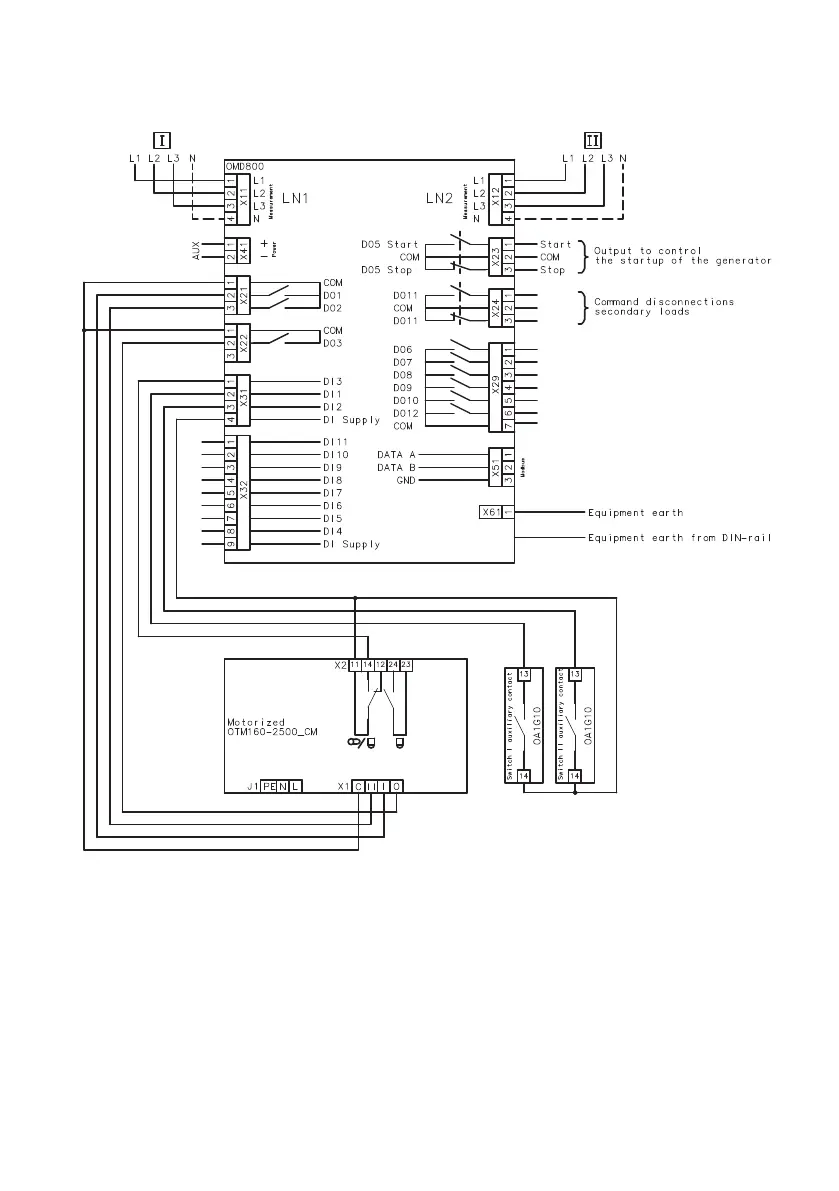
AUTOMATIC CONTROL UNIT, OMD800
Figure 5.2 Control circuit diagram OMD800 with motorized OTM160…2500_CM_
5.2.2 Control circuit diagram OMD800 with motorized OTM160...2500_CM_
A07276

Related product manuals