EasyManua.ls Logo

Abus TVIP51500 - Alarmeingang und Alarmausgang

Abus TVIP51500
Print Icon
To Next Page IconTo Next Page
To Next Page IconTo Next Page
To Previous Page IconTo Previous Page
To Previous Page IconTo Previous Page
Loading...
12
Deutsch
Kamera Reset:
Reset-Knopf einmal kurz drücken Kamera wird neu gestartet
Reset-Knopf für 10 Sekunden gedrückt halten Die Kamera wird auf Werkseinstellungen
zurückgesetzt
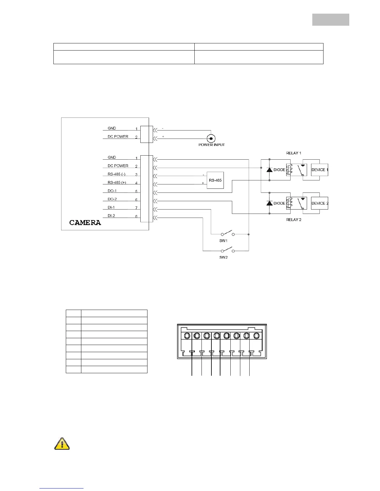
4.3 Alarmeingang und Alarmausgang
I/O Klemmblock
PIN Beschreibung
1 Masse
2 + 12 VDC
3 RS-485 -
4 RS-485 +
5 Schaltausgang1
6 Schaltausgang2
7 Alarmeingang 1
8 Alarmeingang 2
Bitte beachten Sie genau die Anschlusshinweise und Leistungsangaben!
8 7 6 5 4 3 2 1
Alarmeingang 1/2: max. 12 VDC
Schaltausgang 1/2: max. 12 V / 100mA

Table of Contents

Related product manuals