EasyManua.ls Logo

Abus TVIP51500 - Alarmindgang Og Alarmudgang; Statusvisninger

Abus TVIP51500
Print Icon
To Next Page IconTo Next Page
To Next Page IconTo Next Page
To Previous Page IconTo Previous Page
To Previous Page IconTo Previous Page
Loading...
307
Dansk
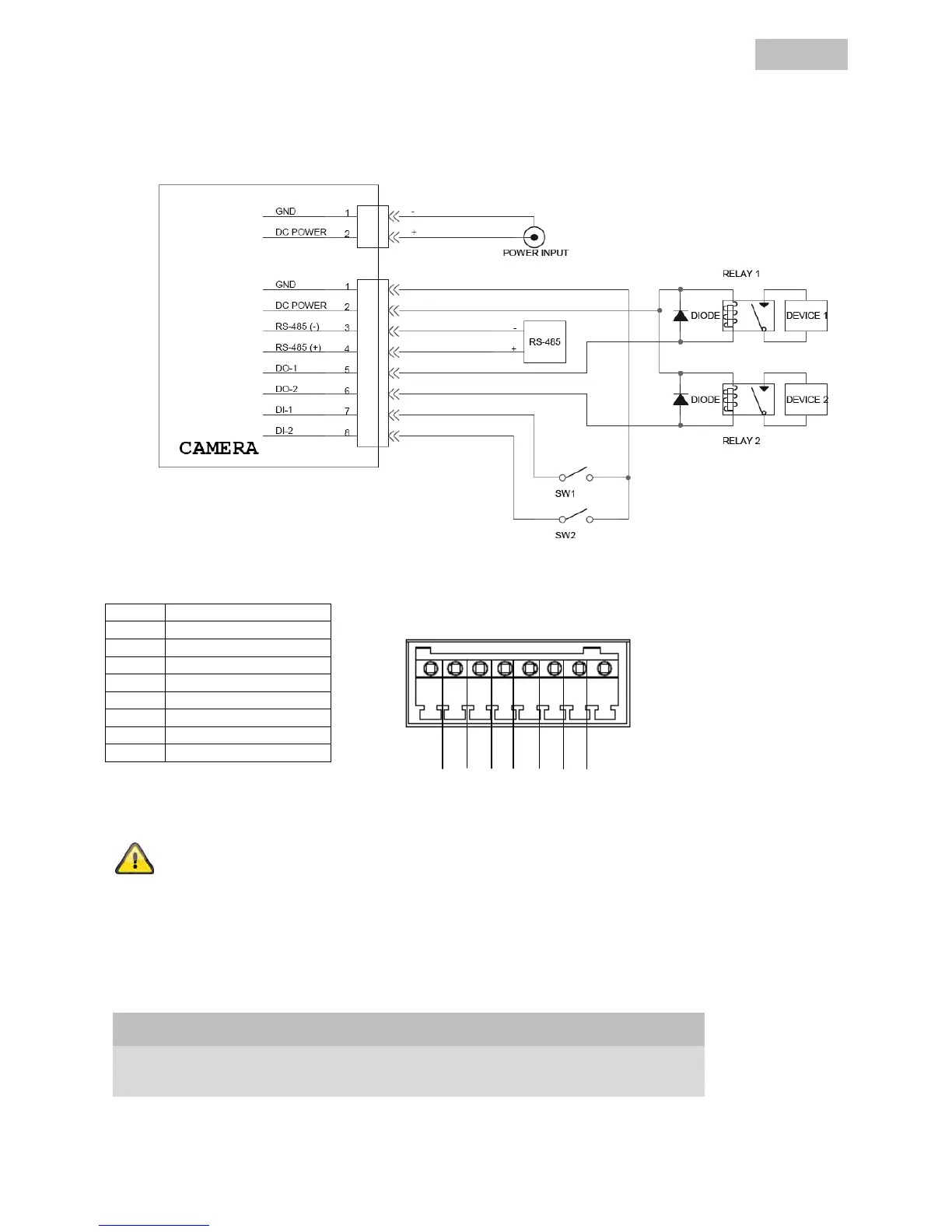
4.3 Alarmindgang og alarmudgang
I/O Connector
PIN Anvendelse
1 Jord
2 + 12 VDC
3 RS-485 -
4 RS-485 +
5 Digital Output 1
6 Digital Output 2
7 Alarm Input 1
8 Alarm Input 2
Vær venligst meget opmærksom på tilslutningsoplysningerne og
ydelsesangivelserne!
4.4 Statusvisninger
Blinkkode status-LED'er
Tilstand / LED-farve Power-LED
(Blå)
Netværks-LED
(rød/blå)
Systemstart Til Blåt blinkende
Slukket Fra Fra
Netværksproblem Til Rød tændt konstant
Alarm Input 1/2: max. 12 VDC
Digital Output 1/2: max. 12V / 100mA
8 7 6 5 4 3 2 1

Table of Contents

Related product manuals