EasyManua.ls Logo

Abus TVIP51500 - Alarmingang en Alarmuitgang; Status Indicatoren

Abus TVIP51500
Print Icon
To Next Page IconTo Next Page
To Next Page IconTo Next Page
To Previous Page IconTo Previous Page
To Previous Page IconTo Previous Page
Loading...
232
Nederlands
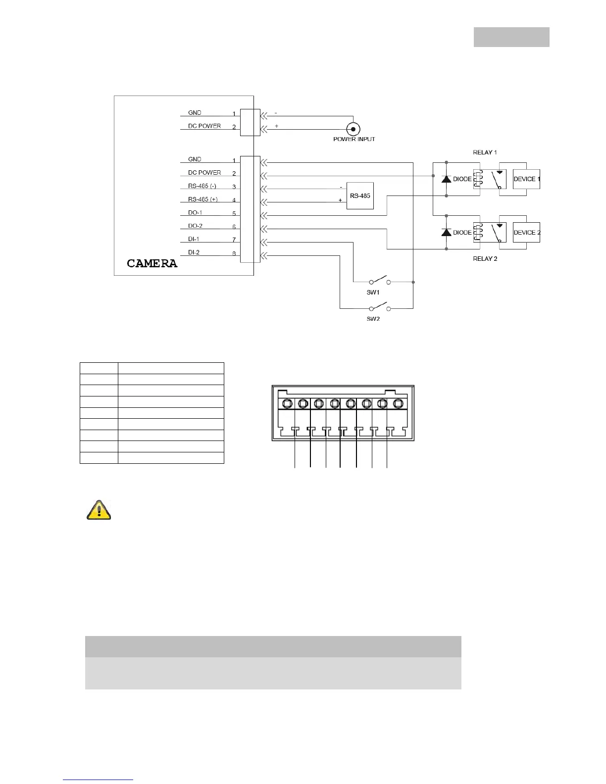
4.3 Alarmingang en alarmuitgang
I/O connector
Let a.u.b. goed op de aansluitrichtlijnen en de vermogensgegevens.
4.4 Status indicatoren
Blinkcode status LED's
Toestand / kleur LED Aan/uit LED
(Blauw)
Netwerk LED
(rood/blauw)
Systeemstart Aan Blauw knipperend
Uitgeschakeld Uit Uit
Netwerkprobleem Aan Rood continu aan
PIN Beschrijving
1 Ground
2 + 12 VDC
3 RS-485 -
4 RS-485 +
5 Digitale Uitgang 1
6 Digitale Uitgang 2
7 Alarm Ingang 1
8 Alarm Ingang 2
Alarm Ingang 1/2: max. 12 VDC
Digitale Uitgang1/2: max. 12V / 100mA
8 7 6 5 4 3 2 1

Table of Contents

Related product manuals