EasyManua.ls Logo

Agilent Technologies LC Series

Agilent Technologies LC Series
262 pages
To Next Page IconTo Next Page
To Next Page IconTo Next Page
To Previous Page IconTo Previous Page
To Previous Page IconTo Previous Page
Loading...
Agilent InfinityLab LC Series 1260 Infinity II Isocratic- and Quaternary Pumps User Manual 21
Introduction
1
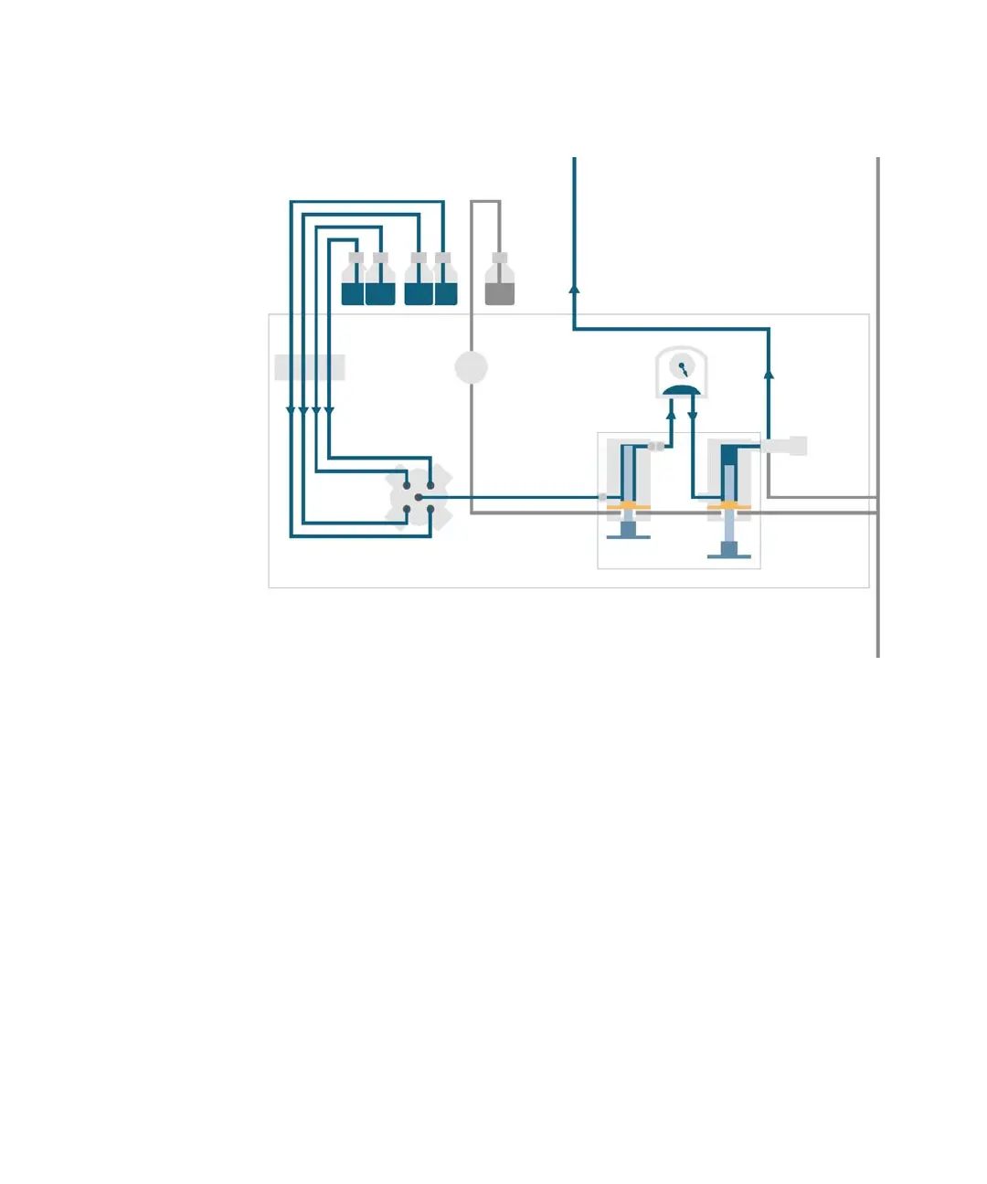
Overview of the Hydraulic Path
Figure 7 Hydraulic Path of the Quaternary Pump and Bio-inert Pump
,QOHWYDOYH
2XWOHW
YDOYH
WRVDPSOLQJXQLWDQGFROXPQ
WRZDVWH
'DPSHU
6HDOZDVK
SXPS
3XUJHYDOYH
'HJDVVHU
0&*9

Table of Contents

Related product manuals