EasyManua.ls Logo

Akai AA-R22/L

Akai AA-R22/L
122 pages
To Next Page IconTo Next Page
To Next Page IconTo Next Page
To Previous Page IconTo Previous Page
To Previous Page IconTo Previous Page
Loading...
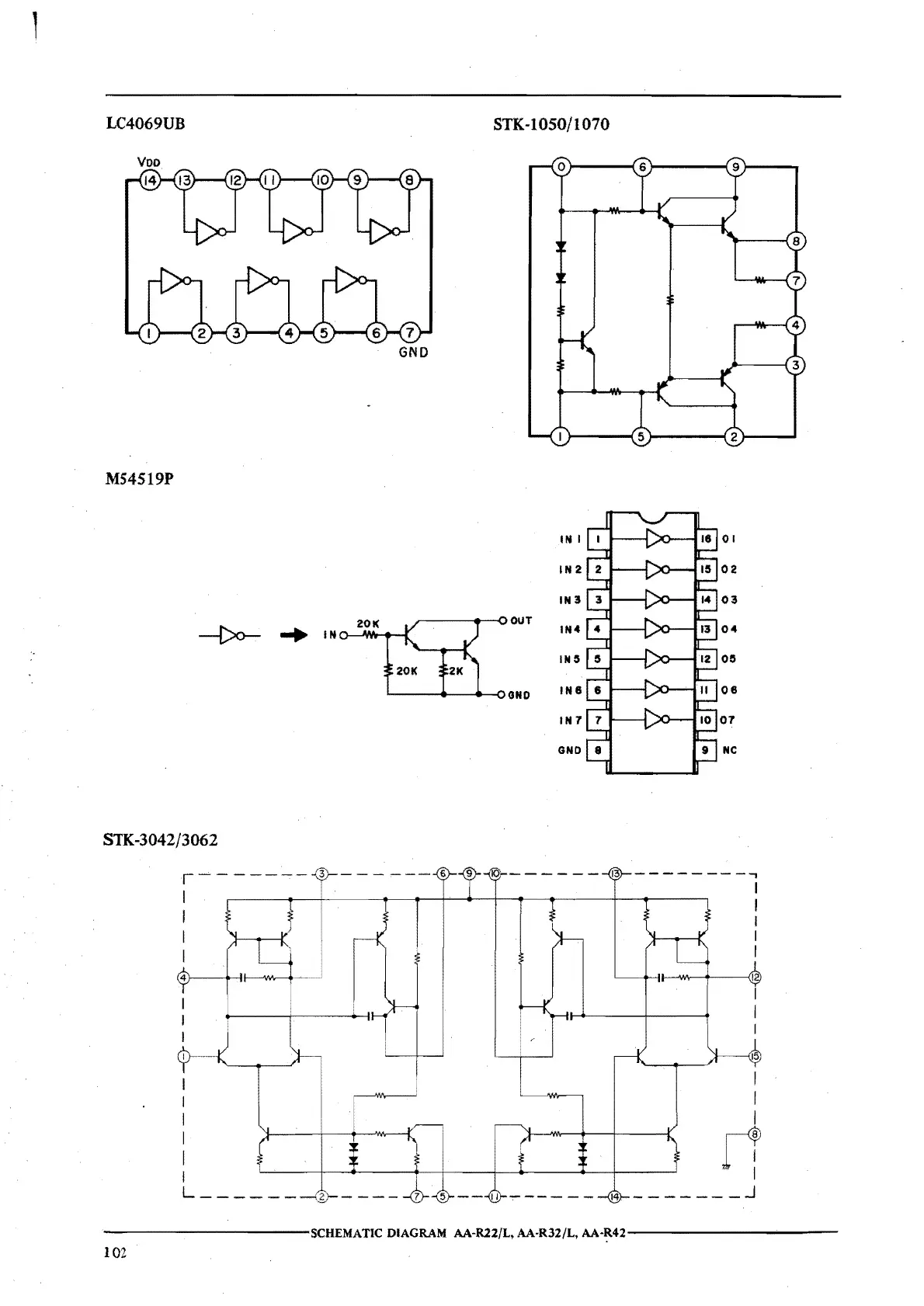
LC4069UB
MS4519P
-{>o--
STK-3042/3062
I
L
_____
_
STK.-1050/1070
------
13
--------..,
'------t---11---WV--<t----{I
I
I
I
I
I
I
I
I
I
I
I
r1
I
5
--
II-,------
14
_______
_j
-----------SCHEMATIC
DIAGRAM AA-R22/L, AA-R32/L,
AA-~42-----------
102

Table of Contents

Related product manuals