EasyManua.ls Logo

Akai AA-R22/L

Akai AA-R22/L
122 pages
To Next Page IconTo Next Page
To Next Page IconTo Next Page
To Previous Page IconTo Previous Page
To Previous Page IconTo Previous Page
Loading...
2
3
4
5
6
7
8
A
B
C
D
E
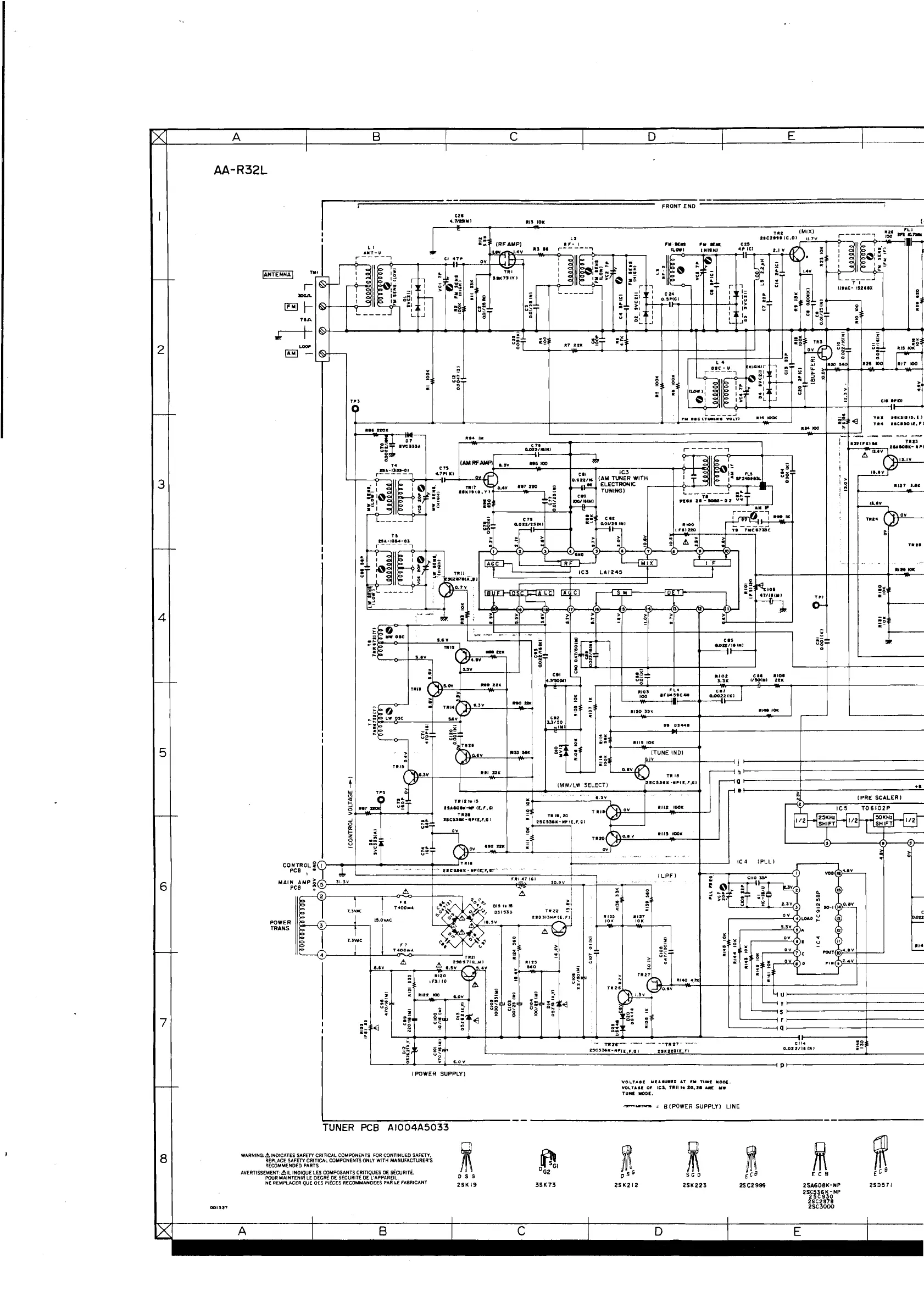
AA-R32L
001:Uf
L '
A•T-U
.------,
IANTENNAI
r
7
r
I
I
=1
I
»GA
c:::1
~
r-
;:;,
I
I
I
L
.J
71A
J,.
LOOI'
~
-
.
~
c
TP>
T
L
~
~
CZI
4. 7/'IICMI
~=
....
(RF
AMP)
Cl
.,.
·-
.
w%
ft
....
.
~!
;;
"!!
-
!!;
uo
"
0
RII
ZZK
Tit
12
t•
1,
ZSAIIOeK~
CE,f
,GI
T•H
HCIIU:••f'tE:,F,SJ
0V
JtlZ
Ztl(
.3
:;~
IUJ
IOIC
LZ
.
•-
I
r--
----,
:_
:;
~
~=
r
!
_1
u
;;,
.
L
l;:1
nN
.
.,
u;,
ll
..
I
u
::_
,.o
«2
R7
ZZIC
FRONT END
_J
L
.-t----,--ir-----r-:;
L
o,c-"
,----7
.
.
~
~
ft
.
"
.
.,
..
10(»(
...
.,.
,
••
,,.a,J
0
H
.
.
"
(I
TIit J
ttKaU!
CD.
(}
T•4
IICIJOlt:
0
,1
L.-------------------------+---=t-=-
--
- - -
<1•
OJnZ/ts(NI
...
100
.
0
...
=•
..
WN
It(
....
____
_,
Tl
TIIIICUDC
~
..
I
F
_2
;:
cu
O.OZZ/1.lNI
a1oz
CH
1101
J.SK
1/IOCMJ
...
FL
C
7
0.002211()
'""''"
..
'------111---+--
lt1$0
351(
toe
IOI:
DI
Dl441!1
JIIIS
IOK
ov
TIii
....
MN(
o.
!!o
HI
..
-
~~
.
ijg
0
~-----------
......
.
0
ic
(MW/LW SELECT)
2
......
-------''-'--'-
0
Tit
II,
20
e:
2SC5311C~NP'IE,f,il
~
....
(TUNE IND)
-~----+----jl------+-------------
TJP8
2SCSJ•K
•NP'l[,1
,ii
RIIZ
IOOIC
ltllJ
IOOK
hl-------1-------------
g
!--------+------------.-.
e1------+-------------=-
IC
4
(PLLI
>
0
FRI
47
(GI
(LPF)
POWER
TRANS
LIV
l
ltl20
1fSl
10
►.
...
~
§i
DIS
fl
19
OS
IS30
LI.SV
5.4V
N
0
u
0
.
0
H
c
30.9V
TltZZ
~
210313HP1E,Fl
11125
...
>:...-
............
----1
~
.
0
u
111:SS
,
..
Tll"2r-
..
_
:ZSC:5MK-N~(I[
, GJ
1'140
47k
~'-Tll
21'
..
,
__,,,
:ztJCIH(E
P"J
K
0
0..
..
..,
~
00•1
"'
~-----~'--(44)
LOAD
~
Cll4
0.012111
011
..
u
11141
O~o
'
••
t.,I~
'-------"-+----=·....1---='-.::c•.,.•-------------------------------------;
p
>----------------
(POWER SUPPLY)
TUNER
PCB
AI004A5033
WARNING:_&INOICATES
SAFETY
CRITICAL
COMPONENTS
FOR
CONTINUED
SAFETY.
REPLACE
SAFETY
CRITICAL
COMPONENTS
ONLY
WITH
MANUFACTURER'S
RECOMMENDED
PARTS
AVERTISSEMENT:
.6.IL
INOIQUE
LES
CQMPOS!'NTS
qmlQUES
DE
sf.CURIT£.
POUR
MAINTENIR
LE
DEGRE
DE
SECURITE
DE
L'APPAREIL.
NE
REMPLACER
QUE
DES
PIECES
RECOMMANDEES
PAR
LE
FABRICANT
0 S G
2SKl9
~I
OG2
3SK73
VOLTASI[
WIAIUIIID
AT
llM
TUN(
1100£.
VOL
TAGl
o,
ICS,
TIii!
t•
20,
:ZI
AM: IIIW
TUN(
MOD(.
-~
Bl
POWER
SUPPLY) LINE
~
~
M
osG
S G O
ZSKZIZ
ZSK223
2SC2999
~
ffi
EC
B
2SA608K-NP
ZSD~
71
2smi10NP
ZSC2B78
2SC3000

Table of Contents

Related product manuals