EasyManua.ls Logo

Alinco DR-620 - Ta75 S01 F (Xa0332); Tc4 W53 Fu (Xa0348); Ta31136 Fn (Xa0404)

Alinco DR-620
56 pages
Print Icon
To Next Page IconTo Next Page
To Next Page IconTo Next Page
To Previous Page IconTo Previous Page
To Previous Page IconTo Previous Page
Loading...
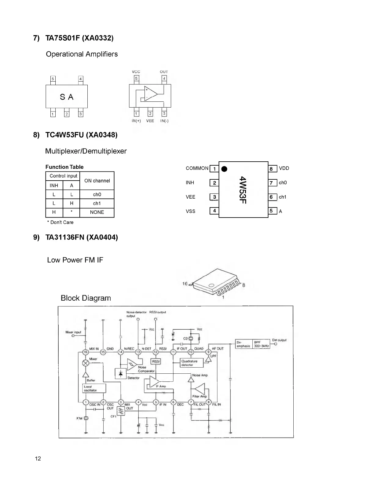
7) TA75S01F (XA0332)
Operational Amplifiers
jg
____
a
y y y
8 ) TC4W53FU (XA0348)
Multiplexer/Demultiplexer
Function Table
Control input
ON channel
INH A
L L ch0
L H
ch1
H
*
NONE
* Don't Care
9) TA31136FN (XA0404)
COMMON 1
8 VDD
-P*
INH 2 7 ch0
O i
VEE |_3_
GO
~n
6 | ch1
VSS 4 5 A
Low Power FM IF
Block Diagram
VCC OUT
12

Table of Contents

Related product manuals